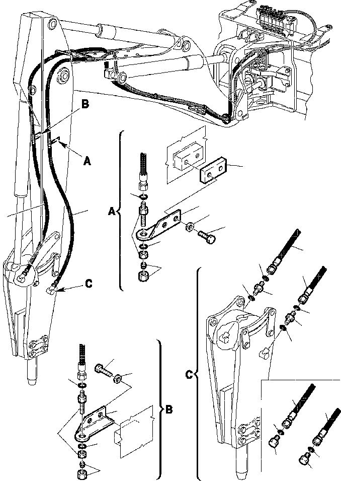
Запчасти Komatsu WB140PS-2N FIG. H8-A ГИДРОЛИНИЯ - МОЛОТ - РУКОЯТЬ - МОЛОТ ГИДРАВЛИКА

Схема запчастей Komatsu WB140PS-2N - FIG. H8-A ГИДРОЛИНИЯ - МОЛОТ - РУКОЯТЬ - МОЛОТ ГИДРАВЛИКА
8
11
11
17
10
13
1
12
25
21
5
13
17
3
15
2
14
16
4
6
20
6
18
19
13
17
22
9
7
24
23
FIT
1:1
100%

Артикул

Название

Примечание

Количество

1

312743609

BRACKET, L.H. SUPPORT

2

801015108

BOLT

3

802150510

WASHER

4

500380324

UNION ASSEMBLY

5

855051018

O-RING

6

500380314

PLUG

7

312743605

BRACKET, R.H. SUPPORT

8

801015108

BOLT

9

802150510

WASHER

10

500380325

UNION ASSEMBLY

11

855051021

O-RING

12

500380315

PLUG

13

392860022

HOSE

14

500380113

UNION

15

855051119

O-RING

16

855051018

O-RING

17

392400006

HOSE

18

500380115

UNION

19

855051119

O-RING

20

855051021

O-RING

21

500380304

PLUG

22

855051018

O-RING

23

500380305

PLUG

24

855051021

O-RING

25

312743608

PLATE

Выбрано товаров: 25