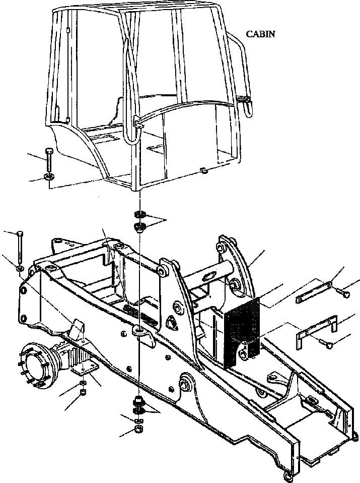
Запчасти Komatsu WB140PS-2N FIG. J-A РАМА ОСНОВНАЯ РАМА И ЕЕ ЧАСТИ

Схема запчастей Komatsu WB140PS-2N - FIG. J-A РАМА ОСНОВНАЯ РАМА И ЕЕ ЧАСТИ
11
12
10
3
1
5
7
8
6
9
8
2
5
4
10
14
13
15
FIT
1:1
100%

Артикул

Название

Примечание

Количество

1

312601067

FRAME, HORIZONTAL OUTRIGGER

2

312601601

PLATE

3

312606618

BOLT

4

801880220

NUT, SELF-LOCKING

5

802170007

WASHER

6

312605755

PANEL, SQUAB

7

312605756

BAR, RETAINER

8

801015112

BOLT

9

312605106

BRACKET, RETAINER

10

808001069

DAMPER

11

801015661

BOLT

12

802170007

WASHER

13

801880220

NUT, SELF-LOCKING

14

390605087

WASHER

15

312610648

GASKET

Выбрано товаров: 15