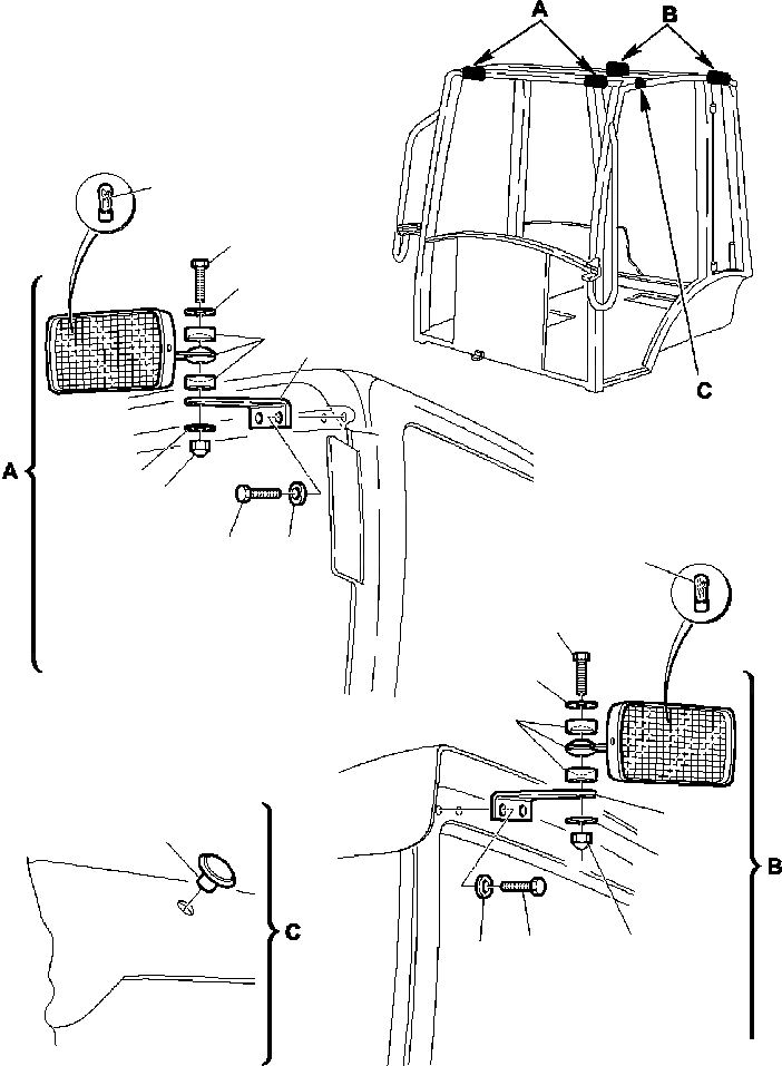
Запчасти Komatsu WB140PS-2N FIG. K-A КАБИНА - РАБОЧ. ОСВЕЩЕНИЕS КАБИНА ОПЕРАТОРА И СИСТЕМА УПРАВЛЕНИЯ

Схема запчастей Komatsu WB140PS-2N - FIG. K-A КАБИНА - РАБОЧ. ОСВЕЩЕНИЕS КАБИНА ОПЕРАТОРА И СИСТЕМА УПРАВЛЕНИЯ
3
5
8
12
10
7
11
9
2
6
4
10
7
11
3
5
8
9
2
4
6
1
13
12
13
FIT
1:1
100%

Артикул

Название

Примечание

Количество

1

885411067

PLUG

2

885111114

WORK LIGHT, L.H.

3

885140049

BULB

4

885111113

WORK LIGHT, R.H.

5

885140049

BULB

6

816214642

BRACKET, L.H. LIGHT

7

816214643

BRACKET, R.H. LIGHT

8

801105525

BOLT

9

802170000

WASHER

10

802120006

WASHER, SPRING

11

816214659

NUT, SELF-LOCKING

12

801250060

BOLT

13

802170000

WASHER

Выбрано товаров: 13