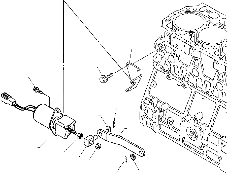
Запчасти Komatsu WB140PS-2N FIG. A-A ДВИГАТЕЛЬ СОЛЕНОИД ОСТАНОВКИ - TURBO ДВИГАТЕЛЬ ДВИГАТЕЛЬ

Схема запчастей Komatsu WB140PS-2N - FIG. A-A ДВИГАТЕЛЬ СОЛЕНОИД ОСТАНОВКИ - TURBO ДВИГАТЕЛЬ ДВИГАТЕЛЬ
1
12
11
5
6
4
3
7
9
2
8
10
FIT
1:1
100%

Артикул

Название

Примечание

Количество

1

YM123900-66810

BRACKET

2

YM123900-66831

LINK

3

YM26346-060002

NUT

4

YM123900-66820

JOINT

5

YM129953-77810

SOLENOID

6

YM26716-060002

NUT

7

YM22117-060000

WASHER

8

YM22117-060000

WASHER

9

YM22360-060000

PIN, COTTER

10

YM22360-060000

PIN, COTTER

11

YM26106-060102

BOLT

12

YM20106-080162

BOLT

Выбрано товаров: 12