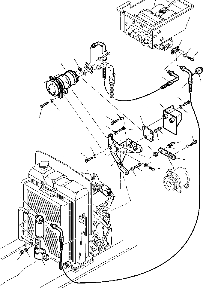
Запчасти Komatsu WB140PS-2N FIG. K9-A КОНДИЦ. ВОЗДУХА - КАБИНА ОПЕРАТОРА И СИСТЕМА УПРАВЛЕНИЯ

Схема запчастей Komatsu WB140PS-2N - FIG. K9-A КОНДИЦ. ВОЗДУХА - КАБИНА ОПЕРАТОРА И СИСТЕМА УПРАВЛЕНИЯ
10
11
12
15
13
18
18
19
15
19
27
14
16
17
22
15
26
15
21
1
3
4
2
5
25
24
15
20
23
28
19
6
5
18
10
8
9
7
FIT
1:1
100%

Артикул

Название

Примечание

Количество

1

312649115

FILTER

2

312649116

SUPPORT, FILTER

3

801880206

NUT, SELF-LOCKING

4

802170000

WASHER

5

312649120

HOSE

6

312649117

SWITCH, A/C PRESSURE

7

312649059

FLANGE

8

801105523

SCREW

9

880011075

WASHER, SPRING

10

312649119

HOSE

11

312649607

O-RING

12

312649108

COMPRESSOR, AIR CONDITIONING

13

801015561

BOLT

14

801015111

BOLT

15

802170002

WASHER

16

312649066

SUPPORT

17

312649091

GUARD, HOSE

18

801015090

BOLT

19

802170001

WASHER

20

801703008

NUT

21

802150508

WASHER, SPRING

22

312640609

SPACER

23

801880001

NUT, SELF-LOCKING

24

312649067

BRACKET, ADJUSTING

25

801015112

BOLT

26

801015110

BOLT

27

312649109

BRACKET, COMPRESSOR SUPPORT

28

801015087

BOLT

Выбрано товаров: 28