Запчасти Komatsu WB140PS-2N FIG. E-A ЭЛЕКТРИКА - ПРОВОДКА ASSEMBLY ЭЛЕКТРИКА

Схема запчастей Komatsu WB140PS-2N - FIG. E-A ЭЛЕКТРИКА - ПРОВОДКА ASSEMBLY ЭЛЕКТРИКА
6
3
4
8
7
1
5
3
3
4
9
4
5
5
1
2
10
11
12
14
13
FIT
1:1
100%

Артикул

Название

Примечание

Количество

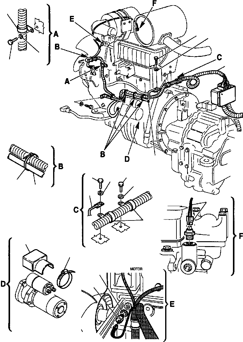
1

312612142

WIRING HARNESS ASSEMBLY

2

802660034

COLLAR

3

801015109

BOLT

4

802170002

WASHER

5

312612134

SUPPORT

6

802660508

COLLAR

7

801015108

BOLT

8

802170002

WASHER

9

885180010

WRAPPER

10

885070024

WATER TEMPERATURE TRANSMITTER

11

312607707

COVER

12

885190006

WRAPPER

Выбрано товаров: 12