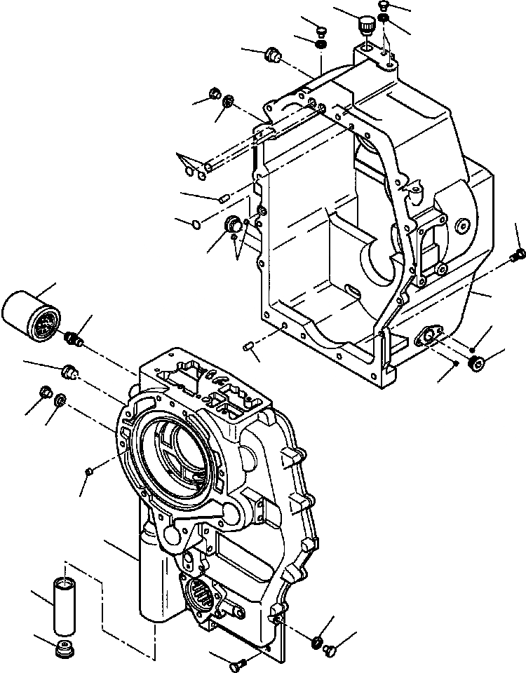
Запчасти Komatsu WB140PS-2N FIG. F-A ТРАНСМИССИЯ - ПЕРЕДН. И ЗАДН. ЧАСТЬ СИЛОВАЯ ПЕРЕДАЧА И КОНЕЧНАЯ ПЕРЕДАЧА

Схема запчастей Komatsu WB140PS-2N - FIG. F-A ТРАНСМИССИЯ - ПЕРЕДН. И ЗАДН. ЧАСТЬ СИЛОВАЯ ПЕРЕДАЧА И КОНЕЧНАЯ ПЕРЕДАЧА
18
16
16
17
17
3
11
12
19
20
10
19
14
13
1
15
2
13
14
3
20
13
4
5
6
7
8
12
11
9
10
FIT
1:1
100%

Артикул

Название

Примечание

Количество

|$0

200120067

TRANSMISSION ASSEMBLY

1

CA0139413

OIL FILTER

2

CA0131217

CONNECTION

3

CA0030745

PLUG

4

CA0021572

PLUG

5

CA0023272

COPPER WASHER

6

CA0021558

PLUG

7

CA0139349

FRONT HALF-HOUSING

8

CA0138385

OIL FILTER

9

CA0138386

PLUG

10

CA0020852

BOLT

11

CA0021583

PLUG

12

CA0023287

COPPER WASHER

13

CA0030773

PLUG

14

CA0125280

PLUG

15

CA0139350

REAR HALF-HOUSING

16

CA0021322

PLUG

17

CA0023260

COPPER WASHER

18

CA0030368

BREATHER PLUG

19

CA0028560

O-RING

20

CA0072259

PIN

Выбрано товаров: 21