Запчасти Komatsu WB140PS-2N FIG. F-A9 ТРАНСМИССИЯ - TUBING И ДАТЧИКS СИЛОВАЯ ПЕРЕДАЧА И КОНЕЧНАЯ ПЕРЕДАЧА

Схема запчастей Komatsu WB140PS-2N - FIG. F-A9 ТРАНСМИССИЯ - TUBING И ДАТЧИКS СИЛОВАЯ ПЕРЕДАЧА И КОНЕЧНАЯ ПЕРЕДАЧА
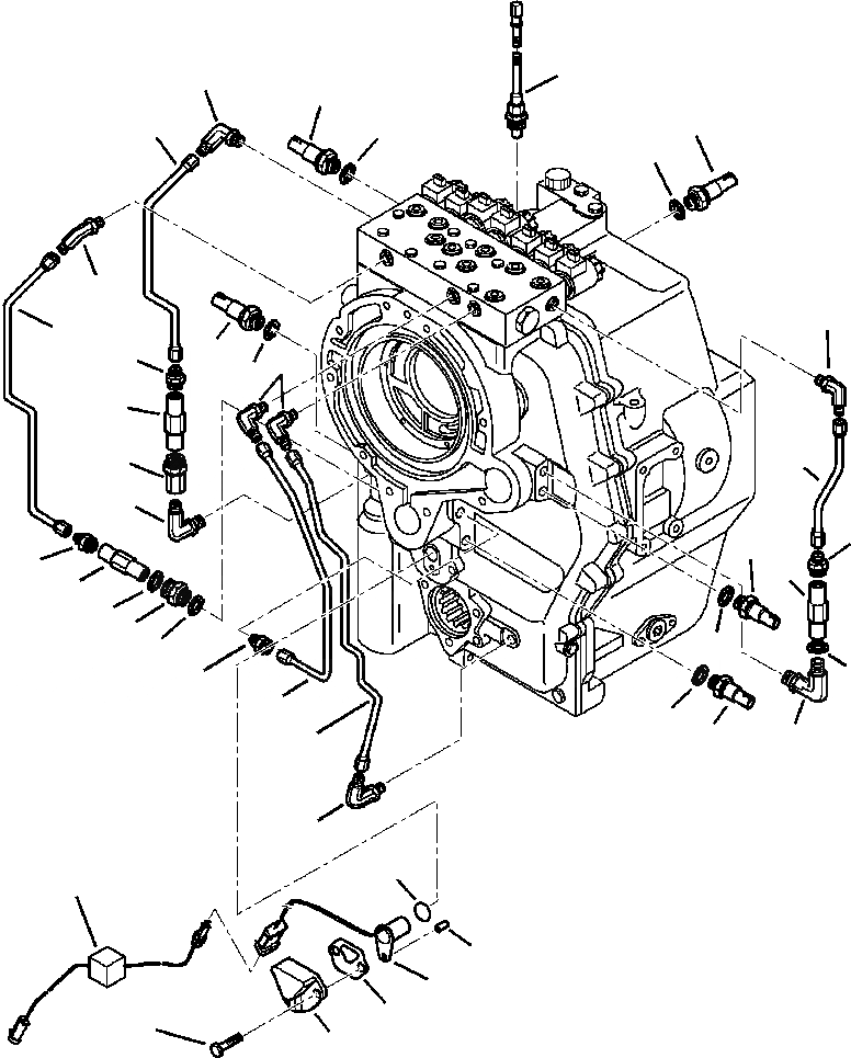
3
5
1
4
22
2
2
5
5
21
25
7
5
2
8
23
6
5
7
27
7
8
8
9
20
2
2
9
13
12
2
26
10
11
5
19
24
14
15
16
18
17
FIT
1:1
100%

Артикул

Название

Примечание

Количество

1

CA0138643

PRESSURE ALARM SENSOR

2

CA0023287

WASHER

3

CA0143687

OIL TEMP SENSOR

4

CA0138644

1ST GEAR SENSOR

5

CA0134919

ELBOW

6

CA0140304

TUBE, 2ND SPEED

7

CA0140334

CONNECTION

8

CA0139990

ANTI SHOCK VALVE

9

CA0023281

WASHER

10

CA0140335

ELBOW

11

CA0138764

TUBE, 4WD

12

CA0138763

TUBE, 4TH SPEED

13

CA0137595

CONNECTION

14

CA0117385

PIN

15

CA0134513

SPEEDOMETER SENSOR

16

CA0133387

GASKET

17

CA0138572

COVER

18

CA0020780

BOLT

19

CA0028531

O-RING

20

CA0140336

CONNECTION

21

CA0140305

TUBE, 3RD SPEED

22

CA0140303

TUBE, 1ST SPEED

23

CA0140333

CONNECTOR

24

CA0141399

OPTICAL ISOLATOR

25

CA0138644

4TH GEAR SENSOR

26

CA0138644

3RD GEAR SENSOR

27

CA0138644

2ND GEAR SENSOR

Выбрано товаров: 27