Запчасти Komatsu WB140PS-2N FIG. F-A9 ТРАНСМИССИЯ - TUBING И ДАТЧИКS СИЛОВАЯ ПЕРЕДАЧА И КОНЕЧНАЯ ПЕРЕДАЧА

Схема запчастей Komatsu WB140PS-2N - FIG. F-A9 ТРАНСМИССИЯ - TUBING И ДАТЧИКS СИЛОВАЯ ПЕРЕДАЧА И КОНЕЧНАЯ ПЕРЕДАЧА
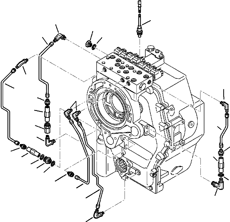
3
4
1
15
2
4
4
14
6
4
7
16
5
4
6
6
7
7
8
13
2
8
12
11
9
10
4
FIT
1:1
100%

Артикул

Название

Примечание

Количество

1

CA0021583

PLUG

2

CA0023287

WASHER

3

CA0143687

OIL TEMP SENSOR

4

CA0134919

ELBOW

5

CA0140304

TUBE, 2ND SPEED

6

CA0140334

CONNECTION

7

CA0139990

CHECK VALVE

8

CA0023281

WASHER

9

CA0140335

ELBOW

10

CA0138764

TUBE, 4WD

11

CA0138763

TUBE, 4TH SPEED

12

CA0137595

CONNECTION

13

CA0140336

CONNECTION

14

CA0140305

TUBE, 3RD SPEED

15

CA0140303

TUBE, 1ST SPEED

16

CA0140333

CONNECTOR

Выбрано товаров: 16