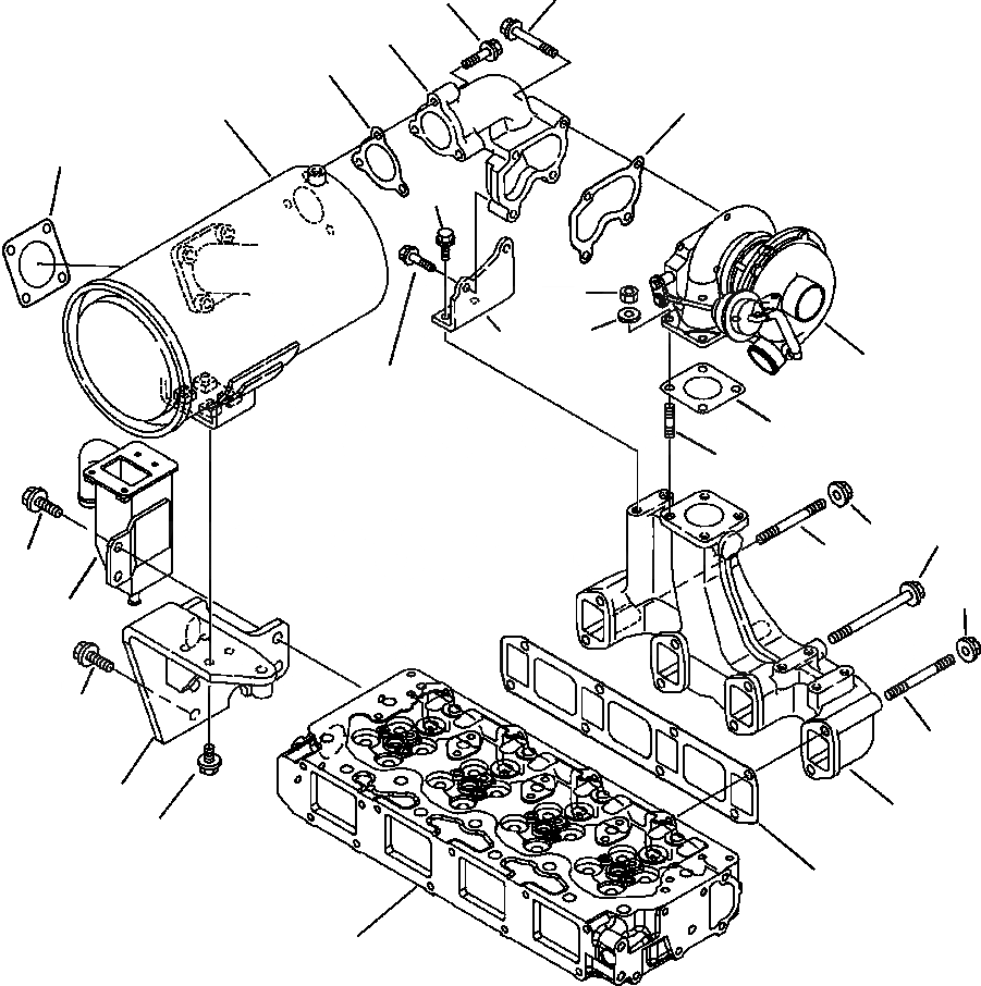
Запчасти Komatsu WB140PS-2N FIG. A-A ДВИГАТЕЛЬ - ВЫПУСКНОЙ КОЛЛЕКТОР, ТУРБОНАГНЕТАТЕЛЬ И ГЛУШИТЕЛЬ ДВИГАТЕЛЬ

Схема запчастей Komatsu WB140PS-2N - FIG. A-A ДВИГАТЕЛЬ - ВЫПУСКНОЙ КОЛЛЕКТОР, ТУРБОНАГНЕТАТЕЛЬ И ГЛУШИТЕЛЬ ДВИГАТЕЛЬ
18
13
11
12
15
14
10
5
23
22
4
24
17
21
7
19
6
1
20
19
25
9
1
8
2
16
3
26
FIT
1:1
100%

Артикул

Название

Примечание

Количество

1

YM123907-13820

STUD, MANIFOLD

2

YM123908-13130

MANIFOLD, EXHAUST

3

YM123907-13110

GASKET, MANIFOLD

4

YM123910-13900

BRACKET, SUPPORT

5

YM261060-80162

BOLT

6

YM123907-13720

BOLT

7

YM129418-18320

STUD

8

YM123910-13910

BRACKET, LOWER

9

YM261061-00222

BOLT

10

YM129400-13201

GASKET

|$11

YM123910-13510

EXHAUST MUFFLER

11

YM123910-13300

ELBOW, INLET

12

YM129472-13520

GASKET

13

YM261060-80452

BOLT

14

NSS

MUFFLER

15

YM123901-18080

GASKET

16

YM261060-80252

BOLT

17

YM261060-80402

BOLT

18

YM261060-80752

BOLT

19

YM263061-00002

NUT

20

YM261061-00252

,BOLT

21

YM123901-18090

GASKET

22

YM221170-80000

WASHER

23

YM267030-80002

NUT

24

YM123945-18010

TURBOCHARGER

Выбрано товаров: 25