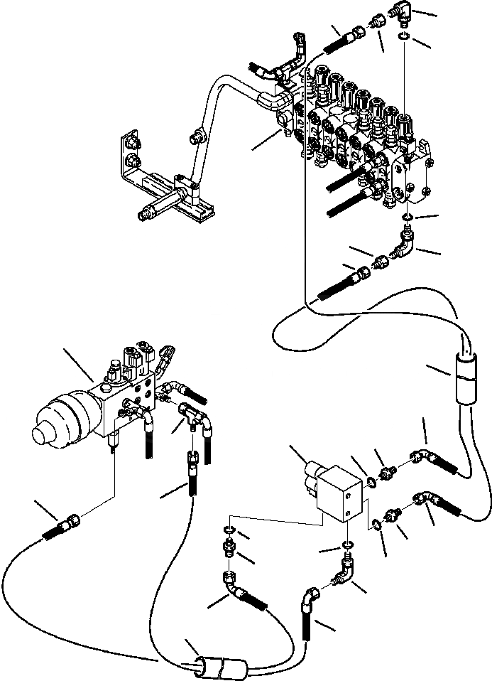
Запчасти Komatsu WB140PS-2N FIG. H-PA8 PPC СИСТЕМА - ТРУБЫ - ПОДАЮЩ. КЛАПАН - ТЕЛЕСКОПИЧЕСК. РУКОЯТЬ SECTION ГИДРАВЛИКА

Схема запчастей Komatsu WB140PS-2N - FIG. H-PA8 PPC СИСТЕМА - ТРУБЫ - ПОДАЮЩ. КЛАПАН - ТЕЛЕСКОПИЧЕСК. РУКОЯТЬ SECTION ГИДРАВЛИКА
11
14
15
13
17
15
13
14
12
1
16
12
18
8
9
10
3
2
11
5
9
7
10
4
6
3
16
2
FIT
1:1
100%

Артикул

Название

Примечание

Количество

2

392368134

HOSE

3

392078012

HOSE

4

312693723

CONNECTOR, ORIFICE

5

855051113

O-RING

6

500352110

ELBOW

7

855051113

O-RING

9

500351756

CONNECTOR

10

855051113

O-RING

11

362078010

HOSE

12

362078013

HOSE

13

312693072

CHECK VALVE

14

500352116

ELBOW

15

855051111

O-RING

16

312693671

PROTECTOR, HOSE

18

500355912

TEE

Выбрано товаров: 15