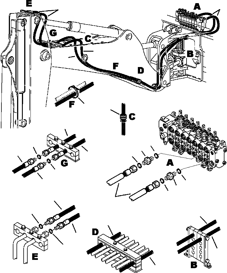
Запчасти Komatsu WB140PS-2N FIG. H8-A ТЕЛЕСКОПИЧЕСК. РУКОЯТЬ ТРУБЫ - ЛИНИЯ ЦИЛИНДРАS ГИДРАВЛИКА

Схема запчастей Komatsu WB140PS-2N - FIG. H8-A ТЕЛЕСКОПИЧЕСК. РУКОЯТЬ ТРУБЫ - ЛИНИЯ ЦИЛИНДРАS ГИДРАВЛИКА
4
7
4
4
5
6
4
2
8
1
7
3
4
8
7
2
1
3
7
4
8
4
4
7
8
4
4
FIT
1:1
100%

Артикул

Название

Примечание

Количество

1

580380111

UNION

2

855051119

O-RING

3

855051016

O-RING

4

392860008

HOSE

5

885180004

TIE STRAP

6

312708621

BUSHING, RUBBER

7

392862002

HOSE

8

855051016

O-RING

Выбрано товаров: 0