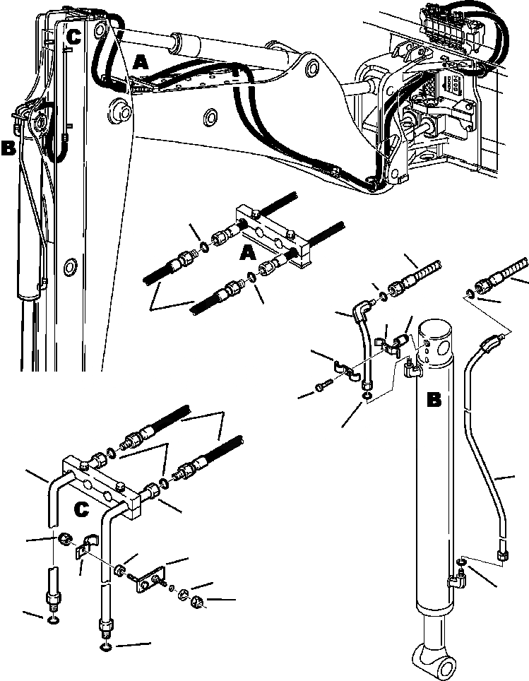
Запчасти Komatsu WB140PS-2N FIG. H8-A ТЕЛЕСКОПИЧЕСК. РУКОЯТЬ ТРУБЫ - ЦИЛИНДР КОВШАS ГИДРАВЛИКА

Схема запчастей Komatsu WB140PS-2N - FIG. H8-A ТЕЛЕСКОПИЧЕСК. РУКОЯТЬ ТРУБЫ - ЦИЛИНДР КОВШАS ГИДРАВЛИКА
20
4
2
4
2
5
3
20
19
6
6
7
19
18
20
8
1
10
17
15
12
14
16
18
13
9
11
FIT
1:1
100%

Артикул

Название

Примечание

Количество

1

312739073

TUBE

2

855051016

O-RING

3

312739072

PIPE

4

392860009

HOSE

5

312739620

SPACER

6

312739623

CLAMP

7

801015560

BOLT

8

312739074

TUBE, RIGHT

9

855051016

O-RING

10

312739075

TUBE, LEFT

11

855051016

O-RING

12

312739069

PLATE

13

801880208

NUT, LOCK

14

802170001

WASHER

15

312739624

SPACER

16

312739622

CLAMP

17

801880001

NUT, LOCK

18

855051018

O-RING

19

392862001

HOSE

20

855051018

O-RING

Выбрано товаров: 20