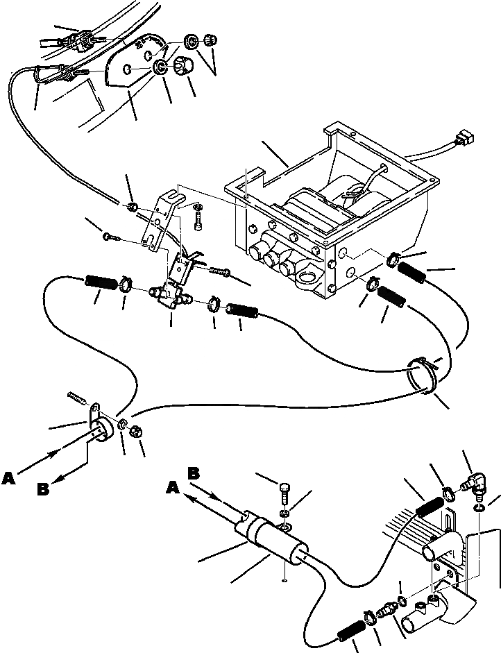
Запчасти Komatsu WB140PS-2N FIG. K-A ОБОГРЕВАТЕЛЬ. - УПРАВЛ-ЕS И ТРУБЫ КАБИНА ОПЕРАТОРА И СИСТЕМА УПРАВЛЕНИЯ

Схема запчастей Komatsu WB140PS-2N - FIG. K-A ОБОГРЕВАТЕЛЬ. - УПРАВЛ-ЕS И ТРУБЫ КАБИНА ОПЕРАТОРА И СИСТЕМА УПРАВЛЕНИЯ
3
3
1
4
4
2
23
8
6
10
9
7
12
10
10
11
5
10
9
22
13
19
10
14
15
16
11
15
20
13
18
21
17
10
12
FIT
1:1
100%

Артикул

Название

Примечание

Количество

1

816215148

KNOB, HEATER CONTROL

2

312632602

PLATE, HEATER CONTROL

3

885081164

SWITCH, HEATER

4

312608068

CABLE, HEATER CONTROL

5

816214526

VALVE, WATER CONTROL

6

801370039

SCREW

7

801250029

SCREW

8

801852204

NUT, LOCK

9

852991033

HOSE800 MM LONG

10

852660003

CLAMP

11

852991033

HOSE2500 MM LONG

12

852991033

HOSE4000 MM LONG

13

802660027

CLAMP

14

801852208

NUT, LOCK

15

802170001

WASHER

17

390029038

UNION

18

855670007

O-RING

19

390032024

UNION, ELBOW

20

885051113

O-RING

21

312610619

PROTECTION, HOSE

22

885180004

TIE STRAP

Выбрано товаров: 0