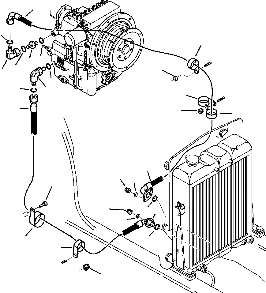
Запчасти Komatsu WB140PS-2N FIG. F-A ПРИВОД TRAIN ТРУБЫ - ОХЛАЖДЕНИЕ ТРАНСМИССИИ ЛИНИИ СИЛОВАЯ ПЕРЕДАЧА И КОНЕЧНАЯ ПЕРЕДАЧА

Схема запчастей Komatsu WB140PS-2N - FIG. F-A ПРИВОД TRAIN ТРУБЫ - ОХЛАЖДЕНИЕ ТРАНСМИССИИ ЛИНИИ СИЛОВАЯ ПЕРЕДАЧА И КОНЕЧНАЯ ПЕРЕДАЧА
1
14
15
11
10
16
12
13
8
9
7
15
3
16
15
1
5
6
18
2
5
3
6
4
17
17
16
FIT
1:1
100%

Артикул

Название

Примечание

Количество

1

312610082

HOSE

2

855021213

O-RING

3

2938-62-1240

HOSE

4

855021213

O-RING

5

801880208

NUT

6

802170001

WASHER

7

500380481

ELBOW

8

855670003

O-RING

9

855051018

O-RING

10

500380087

UNION

11

855670003

O-RING

12

855051018

O-RING

13

500380464

ELBOW

14

855051018

O-RING

15

802660508

COLLAR

16

801880208

LOCK NUT

17

312610084

COLLAR

18

801015109

BOLT

Выбрано товаров: 18