Запчасти Komatsu WB142-5 K-A РЫЧАГИ УПРАВЛ-Я ОПОРАМИ OPERATOR\XD S ОБСТАНОВКА И СИСТЕМА УПРАВЛЕНИЯ

Схема запчастей Komatsu WB142-5 - K-A РЫЧАГИ УПРАВЛ-Я ОПОРАМИ OPERATOR\XD S ОБСТАНОВКА И СИСТЕМА УПРАВЛЕНИЯ
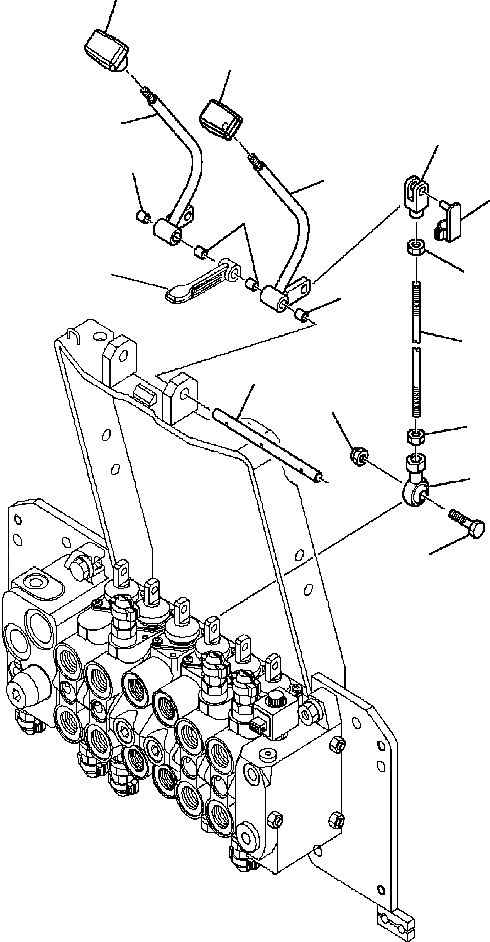
2
2
3
4
1
7
4
14
8
4
5
13
12
10
9
11
6
FIT
1:1
100%

Артикул

Название

Примечание

Количество

1

42N-43-14850

LEVER, R.H.

2

42N-43-14860

KNOB

3

42N-43-14840

LEVER, L.H.

4

37A-09-8R015

BUSHING

5

42N-43-A4880

ROD, TIE

6

37A-09-5Z020

FORK

7

37A-09-61020

PIN

8

01580-11008

NUT, STOP

9

04250-91056

JOINT

10

01508-41006

NUT

11

01010-81040

BOLT

12

21D-09-24190

NUT

13

42N-43-14870

PIN

Выбрано товаров: 13