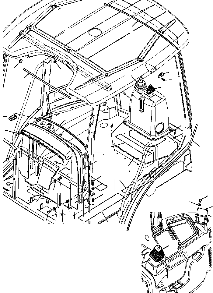
Запчасти Komatsu WB142-5 K-A НАВЕС FINISHING DETAILS OPERATOR\XD S ОБСТАНОВКА И СИСТЕМА УПРАВЛЕНИЯ

Схема запчастей Komatsu WB142-5 - K-A НАВЕС FINISHING DETAILS OPERATOR\XD S ОБСТАНОВКА И СИСТЕМА УПРАВЛЕНИЯ
25
1
23
3
21
24
2
22
4
5
15
31
16
20
26
6
19
15
18
16
11
12
17
13
29
30
28
14
10
9
7
8
18
27
FIT
1:1
100%

Артикул

Название

Примечание

Количество

1

395-56-13310

PLUG

2

42N-56-11230

GASKET

3

42N-54-15750

PLUG

4

42N-54-19520

CAP

5

42N-54-16380

GASKET

6

42N-54-16390

GASKET

7

42N-54-16340

FRAME, FRONT

8

42N-54-15830

BOLT

9

42N-56-11910

WASHER

10

42N-54-19930

INSERT

11

42N-54-14870

COVER, FRONT UPPER

12

42N-54-16520

SCREW

13

01640-30508

WASHER

14

42N-54-14850

COVER, FRONT

15

42N-54-15860

BOLT

16

01643-30823

WASHER

17

42N-54-17280

INSERT

18

42N-54-16360

ANTI-SLIP

19

42N-56-11640

COVER, REAR

20

42N-54-16370

ANTI-SLIP

21

42N-56-11680

BOOT, BACKHOE

22

42N-56-11670

BOOT, OUTRIGGER

23

42N-54-14880

PLATE

24

42N-54-15190

SCREW

25

42N-56-11730

GASKET

26

42N-56-11210

GASKET

27

42N-56-11660

BOOT, BUCKET LEVER

28

42N-56-12410

COVER

29

42N-54-17110

SCREW

30

42N-54-19280

WASHER

31

42N-54-16460

GASKET

Выбрано товаров: 0