Качественные детали и логистика
Оригинальные и аналоговые запчасти с доставкой по России, Казахстану и Беларуси
©2022 PartSell ООО "Система" ИНН 2463123282 ОГРН 1212400004838
Центральный офис: г. Красноярск, Академика Киренского, д.87, пом.4
Телефон: 8 (800) 777-65-74 Email: zakaz@partsell.ru
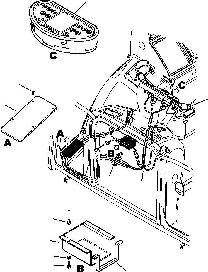
E-A НАВЕС ЭЛЕКТРОПРОВОДКА (/) ПРИБОРНАЯ ПАНЕЛЬ
№
Артикул
Название
Примечание
Количество
1
42N-06-11210
HARNESS, DASHBOARD
2
42N-54-17950
MOLDING
3
08034-20519
TIE STRAP
4
42N-06-15110
DASH PANEL
5
42N-06-11300
LEVER, TRANS LEVER/TURN SIGNAL
6
42N-54-15270
COVER, ACCESS
7
37A-09-25038
SCREW
8
42N-54-18150
COVER
9
42N-54-17150
10
01643-30610
WASHER
11
42N-54-14350
INSERT
Выбрано товаров: 0