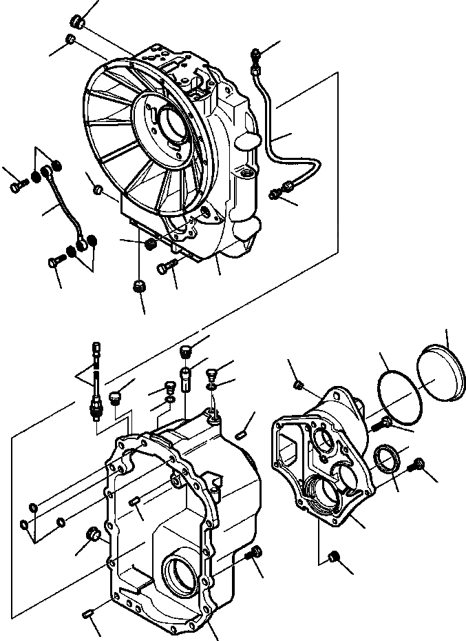
Запчасти Komatsu WB146-5 F-A ТРАНСМИССИЯ TUBING AT КОЖУХS (/) заводской номер A7- СИЛОВАЯ ПЕРЕДАЧА И КОНЕЧНАЯ ПЕРЕДАЧА

Схема запчастей Komatsu WB146-5 - F-A ТРАНСМИССИЯ TUBING AT КОЖУХS (/) заводской номер A7- СИЛОВАЯ ПЕРЕДАЧА И КОНЕЧНАЯ ПЕРЕДАЧА
9
12
5
13
2
1
6
12
3
11
2
4
1
10
7
28
18
27
24
19
16
9
17
15
16
20
17
25
10
26
20
23
22
21
8
10
20
14
FIT
1:1
100%

Артикул

Название

Примечание

Количество

1

CA0130663

BOLT

2

CA0023272

GASKET

3

CA0132634

PIPE

|$4

CA0148442

COVER ASSEMBLY, FRONT

4

NSS

COVER, FRONT

5

CA0021557

PLUG

6

CA0023834

PLUG

7

CA0021585

PLUG

8

CA0021570

PLUG

9

CA0030745

PLUG

10

CA0020852

BOLT

11

NSS

PLUG

12

CA0131364

UNION

13

CA0130393

PIPE, OIL

14

CA0641871

COVER, REAR

15

CA0143687

THERMOSTAT

16

CA0021322

PLUG

17

CA0023260

GASKET

18

CA0030638

PLUG

19

CA0139278

PIPE

20

CA0072259

PIN

21

CA0125280

PLUG

22

CA0028560

O-RING

23

CA0148775

COVER

24

CA0030720

PLUG

25

CA0020858

BOLT

26

CA0025485

SEAL

27

CA0028571

O-RING

28

CA0145717

PLUG

Выбрано товаров: 29