Запчасти Komatsu WB146-5 H7-A ЭКСКАВАТ. ТРУБЫ ОПОРА ЛИНИИ ГИДРАВЛИКА

Схема запчастей Komatsu WB146-5 - H7-A ЭКСКАВАТ. ТРУБЫ ОПОРА ЛИНИИ ГИДРАВЛИКА
10
13
11
17
11
18
15
16
10
4
1
10
2
11
2
11
1
10
14
12
9
8
7
6
5
3
FIT
1:1
100%

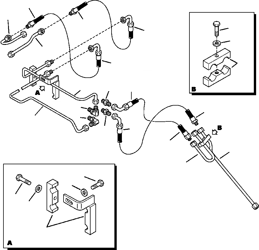
Артикул

Название

Примечание

Количество

1

42N-62-15680

CONNECTOR

N/I

07002-11823

O-RING

N/I

02896-11012

O-RING

2

37D-09-73584

CONNECTOR

3

42N-62-14310

TUBE

4

42N-62-14320

TUBE

5

42N-62-12510

CLAMP

6

01643-30823

WASHER

7

01016-50835

BOLT

8

01643-30823

WASHER

9

01016-50825

BOLT

10

42N-62-14330

HOSE

11

42N-62-16440

HOSE

12

42N-62-16530

TUBE

13

42N-62-16540

TUBE

14

42N-62-16510

TUBE

15

42N-62-16520

TUBE

16

21D-62-11730

CLAMP

17

01016-50835

BOLT

18

01643-30823

WASHER

Выбрано товаров: 20