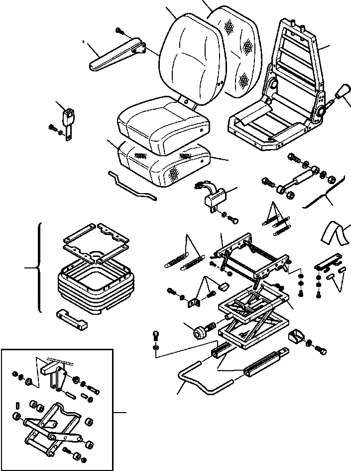
Запчасти Komatsu WB146-5 K-A КАБИНА С КОНДИЦ. OPERATORS СИДЕНЬЕ OPERATOR\XD S ОБСТАНОВКА И СИСТЕМА УПРАВЛЕНИЯ

Схема запчастей Komatsu WB146-5 - K-A КАБИНА С КОНДИЦ. OPERATORS СИДЕНЬЕ OPERATOR\XD S ОБСТАНОВКА И СИСТЕМА УПРАВЛЕНИЯ
2
1
7
8
4
17
5
2
3
17
6
9
19
14
12
15
13
5
10
12
11
16
18
FIT
1:1
100%

Артикул

Название

Примечание

Количество

|$1

AS189538

LINING AND SPONGE KIT

1

AS177478

LINING KIT

2

AS156885

SPONGE KIT

3

AS156752

SPONGE

4

AS172830

FRAME

5

AS166280

KIT, KNOB

6

AS162056

CONTROL KIT

7

AS172337

ARM REST, R.H.

8

AS172336

ARM REST, L.H.

9

AS156718

SHOCK ABSORBER, ASSEMBLY

10

AS172638

SUSPENSION, ASSEMBLY

11

AS162035

KIT, DRIVING SET

12

AS156737

KIT, ADJUSTER SUSPENSION

13

AS156717

KIT, STOPPER

14

AS157597

KIT, ADJUSTER

15

AS162047

COVER KIT, SUSPENSION

16

AS168853

HANDLE

17

2938-54-4330

BELT ASSEMBLY, SEAT

18

AS156738

KIT, BEARING

19

AS172287

KIT, CABLE

Выбрано товаров: 20