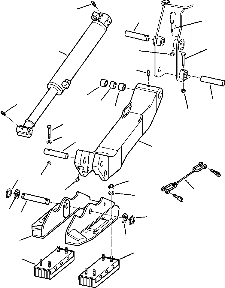
Запчасти Komatsu WB146-5 T-A ЭКСКАВАТ. ОПОРАS РАБОЧЕЕ ОБОРУДОВАНИЕ

Схема запчастей Komatsu WB146-5 - T-A ЭКСКАВАТ. ОПОРАS РАБОЧЕЕ ОБОРУДОВАНИЕ
21
15
16
19
12
20
4
3
13
18
2
3
20
6
8
5
1
10
7
23
4
25
24
14
9
10
14
11
22
22
FIT
1:1
100%

Артикул

Название

Примечание

Количество

1

42N-70-12112

OUTRIGGER

2

500 250 024

SPACER

3

500 212 014

BUSHING

4

21D-09-89140

ZERK, GREASE

5

42N-70-11390

PIN, 45 MM OD ROD

6

01011-81240

BOLT

7

21D-09-24200

NUT

8

500 252 039

WASHER

9

42N-70-12130

PIN, 40 MM OD

10

42N-70-12140

SNAP RING

11

42N-70-12121

STEEL PAD

13

21D-09-89140

ZERK, GREASE

14

37B-09-4E039

WASHER

15

390 597 057

PIN, 45 MM OD

16

01011-81210

BOLT

18

390 597 058

PIN, 45 MM OD

19

01011-81210

BOLT

20

21D-09-24200

NUT

21

21D-09-89140

ZERK, GREASE

22

42N-70-12171

RUBBER PAD

23

21D-09-24200

NUT

24

01643-31232

WASHER

25

312618052

LOCK CABLE

Выбрано товаров: 23