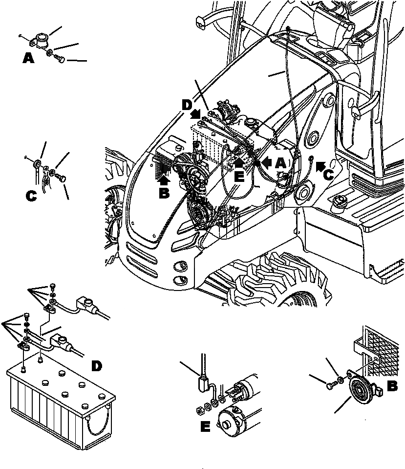
Запчасти Komatsu WB146-5 E-A ЭЛЕКТР. ЭЛЕКТРОПРОВОДКА АККУМУЛЯТОР КАБЕЛЬS И ЗВУК. СИГНАЛ. ЭЛЕКТРИКА

Схема запчастей Komatsu WB146-5 - E-A ЭЛЕКТР. ЭЛЕКТРОПРОВОДКА АККУМУЛЯТОР КАБЕЛЬS И ЗВУК. СИГНАЛ. ЭЛЕКТРИКА
6
8
7
3
1
3
4
2
5
3
2
1
10
2
11
9
FIT
1:1
100%

Артикул

Название

Примечание

Количество

1

42N-06-11910

CABLE, CAB POSITIVE

2

42N-06-A1110

CABLE, BATTERY - POSITIVE

N/I

01010-81020

BOLT

N/I

01643-31032

WASHER

3

42N-06-11120

CABLE, BATTERY - NEGATIVE

4

01010-81020

BOLT

5

01643-31032

WASHER

6

04434-53411

CLIP, CABLE

7

01010-80820

BOLT

8

01643-30823

WASHER

9

42N-06-11241

HORN, FRONT

10

01643-30823

WASHER

11

01010-80820

BOLT

N/I

01602-20619

WASHER

N/I

01580-10605

NUT

Выбрано товаров: 0