Запчасти Komatsu WB146-5 E-A ЭЛЕКТР. ЭЛЕКТРОПРОВОДКА КАБИНА PPC И Э/ПРОВОДКА ПАНЕЛИ Э/ПРОВОДКА (/) ЭЛЕКТРИКА

Схема запчастей Komatsu WB146-5 - E-A ЭЛЕКТР. ЭЛЕКТРОПРОВОДКА КАБИНА PPC И Э/ПРОВОДКА ПАНЕЛИ Э/ПРОВОДКА (/) ЭЛЕКТРИКА
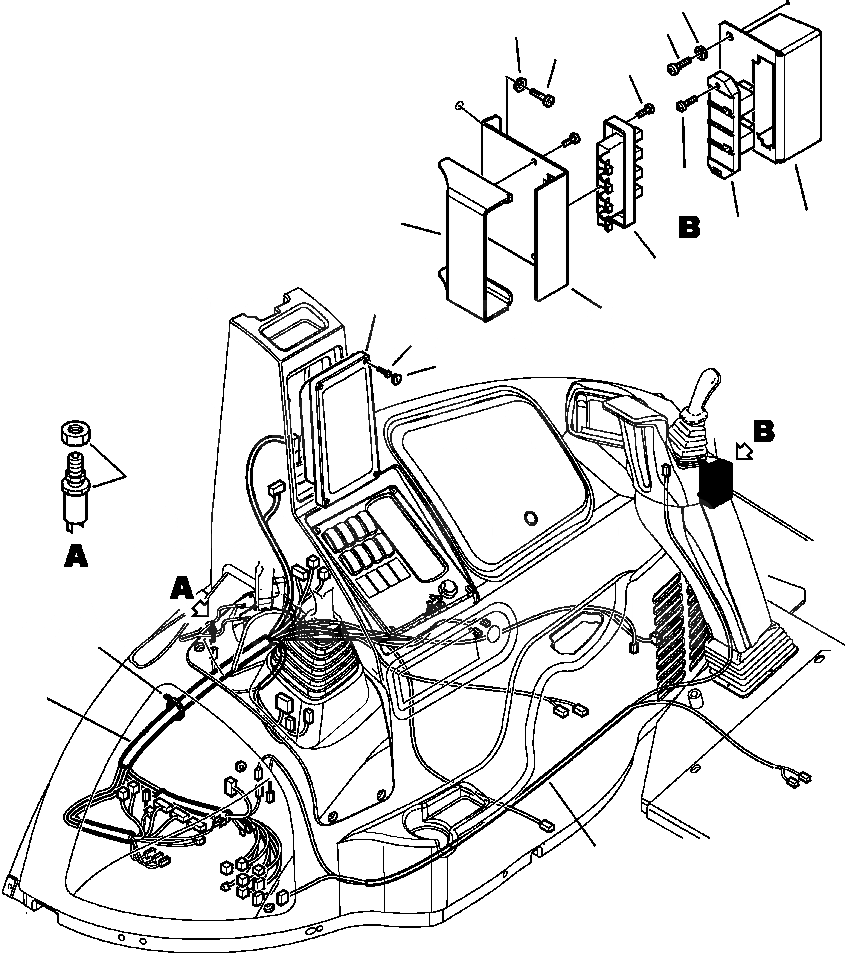
11
10
15
14
8
8
16
9
7
12
4
13
5
6
17
3
2
1
FIT
1:1
100%

Артикул

Название

Примечание

Количество

1

42N-06-15190

HARNESS, PPC

3

08034-20519

TIE STRAP

4

42N-06-15280

PANEL, INDICATOR

5

42N-54-15980

SCREW

6

42N-54-15250

COVER, SCREW

7

21D-54-14340

CONTACT, FIXED

8

42N-54-17210

SCREW

9

42N-54-15310

BOX, CONTACT

10

42N-54-17190

SCREW

11

01640-20408

WASHER

12

42N-54-15320

CONTACT, MOVABLE

13

42N-54-15330

PLATE, MOUNTING

14

42N-54-17110

SCREW

15

01640-20610

WASHER

16

42N-54-15340

BRACKET

17

395-06-11380

MICROSWITCH

Выбрано товаров: 16