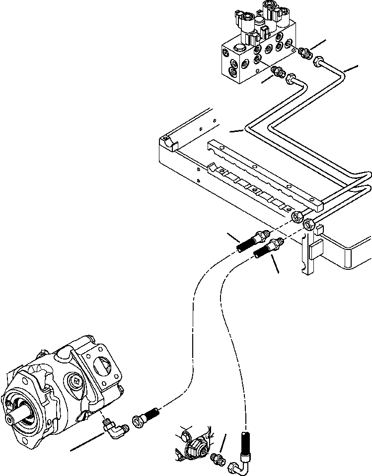
Запчасти Komatsu WB146PS-5 H-A MACHINE ТРУБЫ УСИЛ. РЕЖИМ И бЛОК. ДИФФЕРЕНЦИАЛА ЛИНИЯ ГИДРАВЛИКА

Схема запчастей Komatsu WB146PS-5 - H-A MACHINE ТРУБЫ УСИЛ. РЕЖИМ И бЛОК. ДИФФЕРЕНЦИАЛА ЛИНИЯ ГИДРАВЛИКА
1
2
5
7
3
8
6
4
FIT
1:1
100%

Артикул

Название

Примечание

Количество

1

21D-09-51160

CONNECTOR

N/I

2938-62-2140

WASHER

N/I

2938-62-2150

O-RING

2

42N-62-17230

TUBE

3

42N-62-12150

HOSE

4

22E-09-11310

ELBOW

N/I

21D-09-69960

O-RING

5

21D-09-51160

CONNECTOR

N/I

2938-62-2140

WASHER

N/I

2938-62-2150

O-RING

6

37D-09-1W505

CONNECTOR

7

42N-62-17250

TUBE

8

42N-62-12180

HOSE

Выбрано товаров: 13