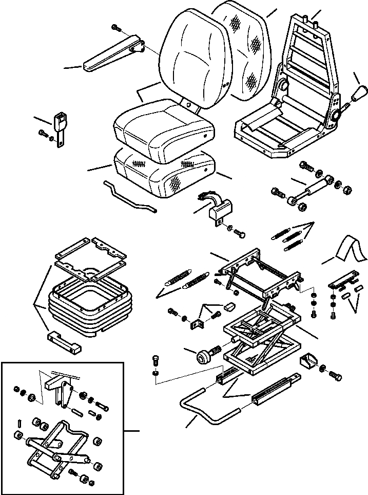
Запчасти Komatsu WB146PS-5 K-A КАБИНА БЕЗ КОНДИЦ. OPERATORS СИДЕНЬЕ OPERATOR\XD S ОБСТАНОВКА И СИСТЕМА УПРАВЛЕНИЯ

Схема запчастей Komatsu WB146PS-5 - K-A КАБИНА БЕЗ КОНДИЦ. OPERATORS СИДЕНЬЕ OPERATOR\XD S ОБСТАНОВКА И СИСТЕМА УПРАВЛЕНИЯ
2
4
7
5
8
1
17
2
9
3
17
6
14
19
13
12
15
5
10
12
11
18
16
FIT
1:1
100%

Артикул

Название

Примечание

Количество

|$1

42N-54-17790

SEAT, OPERATORS

|$2

AS189538

KIT, LINING AND CUSHION

1

AS177478

KIT, LINING

2

AS156885

KIT, CUSHION

3

AS156752

CUSHION, SEAT

4

AS172830

FRAME

5

AS166280

KIT, KNOB

6

AS162056

KIT, CONTROL

7

AS172337

ARMREST, RIGHT

8

AS172336

ARMREST, LEFT

9

AS156718

ABSORBER, SHOCK

10

AS172638

SUSPENSION

11

AS162035

KIT, SLIDE

12

AS156737

KIT, ADJUSTER LEVER

13

AS156717

KIT, STOP

14

AS157597

KIT, ADJUSTER

15

AS162047

KIT, COVER

16

AS168853

HANDLE, SLIDE

17

2938-54-4330

BELT, 3 INCH RETRACTABLE SEAT

18

AS156738

KIT, BEARING

19

AS172287

KIT, CABLE

Выбрано товаров: 21