Запчасти Komatsu WB146PS-5 K9-A КАБИНА БЕЗ КОНДИЦ. ДВИГАТЕЛЬ СОЕДИН-ЕS (СИСТЕМА ПОДОГРЕВА) OPERATOR\XD S ОБСТАНОВКА И СИСТЕМА УПРАВЛЕНИЯ

Схема запчастей Komatsu WB146PS-5 - K9-A КАБИНА БЕЗ КОНДИЦ. ДВИГАТЕЛЬ СОЕДИН-ЕS (СИСТЕМА ПОДОГРЕВА) OPERATOR\XD S ОБСТАНОВКА И СИСТЕМА УПРАВЛЕНИЯ
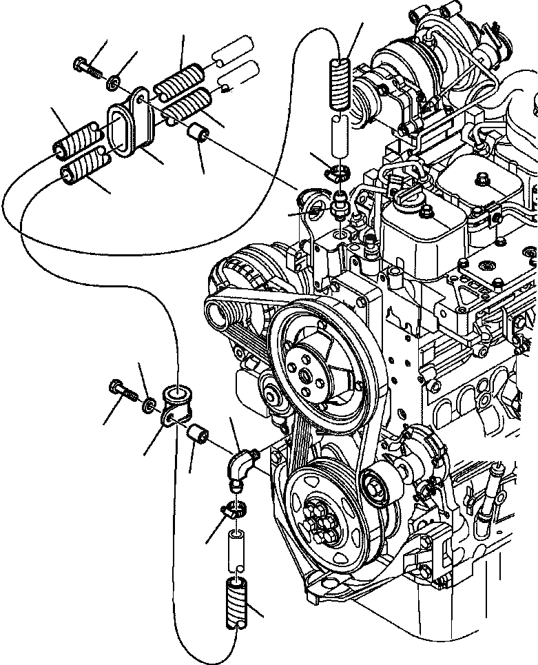
13
13
9
10
13
3
2
8
11
3
12
6
1
5
4
7
2
3
FIT
1:1
100%

Артикул

Название

Примечание

Количество

1

42N-62-16570

ELBOW

2

07281-00197

CLAMP

3

42N-54-19250

PROTECTION

4

04434-52512

CLAMP

5

01010-80840

BOLT

6

01643-30823

WASHER

7

42N-54-19260

SPACER

8

198-61-14180

CLAMP

9

01010-81240

BOLT

10

01643-11232

WASHER

11

42N-54-19270

SPACER

12

37D-09-96024

UNION

13

42N-54-19240

PROTECTION

Выбрано товаров: 13