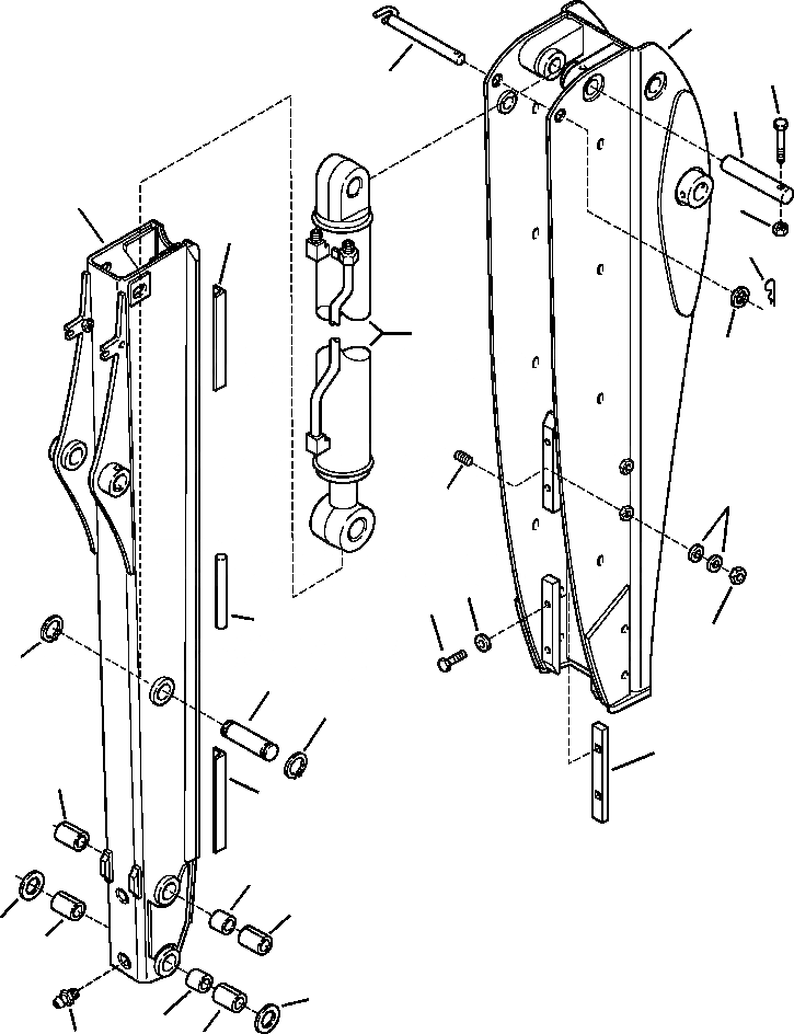
Запчасти Komatsu WB146PS-5 T-A ЭКСКАВАТ. ТЕЛЕСКОПИЧЕСК. РУКОЯТЬ COMPLETE ASSEMBLY РАБОЧЕЕ ОБОРУДОВАНИЕ

Схема запчастей Komatsu WB146PS-5 - T-A ЭКСКАВАТ. ТЕЛЕСКОПИЧЕСК. РУКОЯТЬ COMPLETE ASSEMBLY РАБОЧЕЕ ОБОРУДОВАНИЕ
1
4
16
2
13
3
10
18
19
17
11
8
7
6
12
9
15
14
15
5
20
10
24
20
23
21
23
25
21
22
FIT
1:1
100%

Артикул

Название

Примечание

Количество

1

42N-856-1610

OUTER ARM

2

37B-09-46039

PIN, 40 MM OD CYLINDER

3

21D-09-24190

NUT

4

01011-81010

BOLT

5

42N-856-2840

PLATE, SLIDING

6

01016-51040

BOLT

7

01643-31032

WASHER

8

42N-856-3330

SCREW, ALLEN

9

01580-11815

NUT

10

42N-856-1520

SLIDE

11

01640-21826

WASHER

12

42N-856-2830

SPACER

13

42N-856-D310

INNER ARM

14

42N-856-1710

PIN, 40 MM OD CYLINDER

15

04046-04018

SNAP RING

16

42N-856-3320

PIN, 30 MM OD LOCK

17

21D-09-72510

WASHER

18

21D-09-85530

PIN, QWIK

20

37B-09-54006

BUSHING, 45 MM OD PIN

21

42N-856-1480

BUSHING, 50 MM OD PIN

22

21D-09-89140

GREASE ZERK

23

37B-09-4F024

THRUST WASHER

24

37B-09-4C064

SPACER, BUSHING

25

42N-856-1490

SPACER, BUSHING

Выбрано товаров: 24