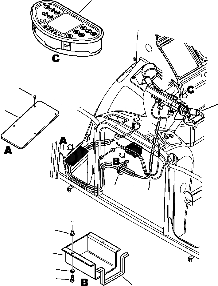
Запчасти Komatsu WB146PS-5 E-A КАБИНА ЭЛЕКТРОПРОВОДКА ПРИБОРНАЯ ПАНЕЛЬ ПРОВОДКА ЭЛЕКТРИКА

Схема запчастей Komatsu WB146PS-5 - E-A КАБИНА ЭЛЕКТРОПРОВОДКА ПРИБОРНАЯ ПАНЕЛЬ ПРОВОДКА ЭЛЕКТРИКА
4
7
5
6
3
1
11
8
10
9
2
FIT
1:1
100%

Артикул

Название

Примечание

Количество

1

42N-06-11520

HARNESS, DASHBOARD

2

42N-54-17950

MOLDING

3

08034-20519

TIE STRAP

4

42N-06-15510

DASH PANEL

5

42N-06-11330

TRANS LEVER/LIGHTS

6

42N-54-15270

COVER, ACCESS

7

37A-09-25038

SCREW

8

42N-54-18150

COVER

9

42N-54-17150

SCREW

10

01643-30610

WASHER

11

42N-54-14350

INSERT

Выбрано товаров: 11