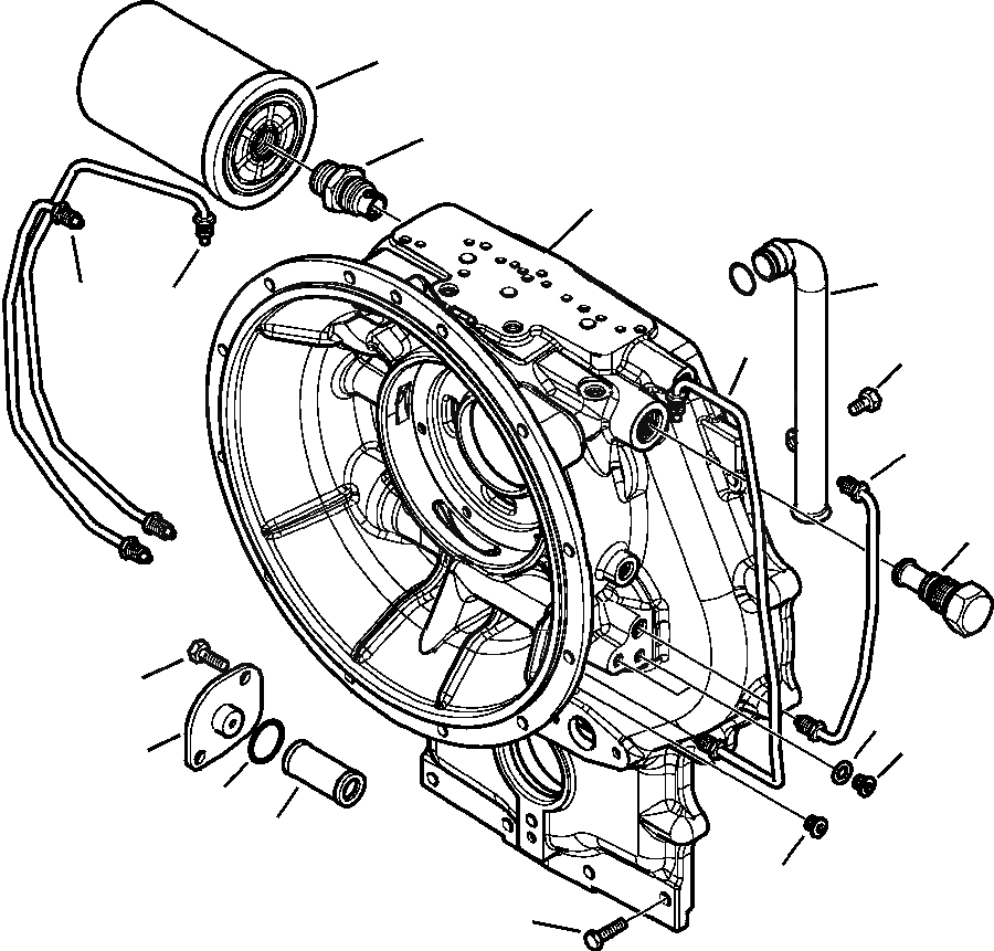
Запчасти Komatsu WB146PS-5 F-A ТРАНСМИССИЯ ПЕРЕДН. КОЖУХ СИЛОВАЯ ПЕРЕДАЧА И КОНЕЧНАЯ ПЕРЕДАЧА

Схема запчастей Komatsu WB146PS-5 - F-A ТРАНСМИССИЯ ПЕРЕДН. КОЖУХ СИЛОВАЯ ПЕРЕДАЧА И КОНЕЧНАЯ ПЕРЕДАЧА
7
8
9
10
6
5
17
11
13
12
4
15
14
3
2
1
16
18
FIT
1:1
100%

Артикул

Название

Примечание

Количество

1

CA0135859

STRAINER, OIL

2

CA0028131

O-RING

3

CA0131368

COVER

4

CA0020777

BOLT

5

CA0642319

TUBE, 1ST

6

CA0642314

TUBE, 3RD

7

CA0040952

OIL FILTER

8

CA0131217

CONNECTOR

9

CA0641456

HOUSING, FRONT

10

CA0642205

PIPE, STAND

11

CA0020849

BOLT

12

CA0149284

VALVE

13

CA0642316

TUBE, 2ND

14

CA0021322

PLUG, PORT

15

CA0023260

SEAL

16

CA0021570

PLUG

17

CA0642315

TUBE, 4TH

18

CA0020864

BOLT

Выбрано товаров: 18