Запчасти Komatsu WB150-2 ГИДРОЛИНИЯ (МАСЛООХЛАДИТЕЛЬ И ВОЗВРАТ. ЛИНИЯ) (/) ГИДРАВЛИКА РАБОЧЕЕ ОБОРУДОВАНИЕ

Схема запчастей Komatsu WB150-2 - ГИДРОЛИНИЯ (МАСЛООХЛАДИТЕЛЬ И ВОЗВРАТ. ЛИНИЯ) (/) ГИДРАВЛИКА РАБОЧЕЕ ОБОРУДОВАНИЕ
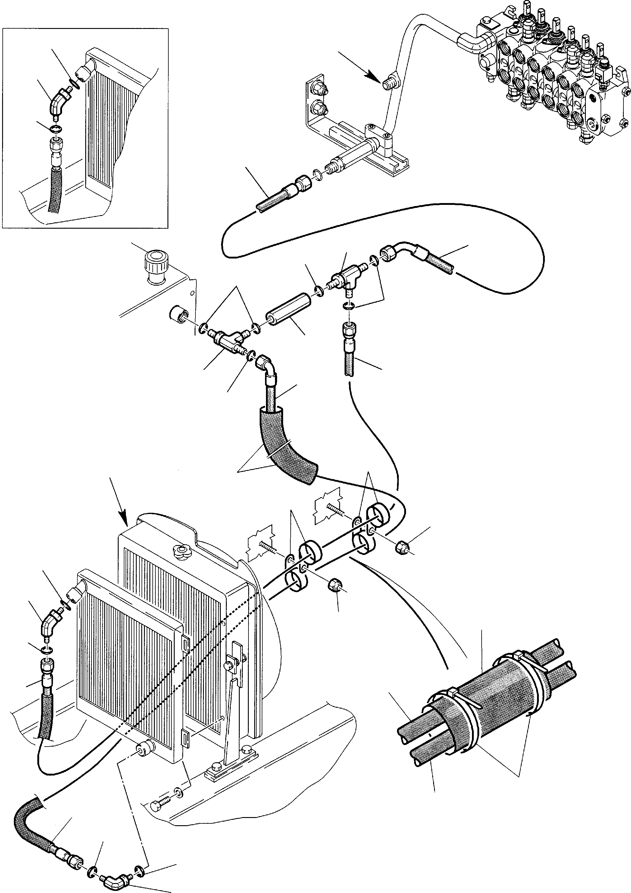
A
B
23
22
24
16
16
13
14
10
15
12
4
9
8
11
19
21
19
20
2
1
20
17
3
4
4
18
8
8
7
6
5
FIT
1:1
100%

Артикул

Название

Примечание

Количество

1

500380410

UNION

1

500380380

UNION

2

855051217

O-RING

3

855051021

O-RING

4

392400001

HOSE

5

500380516

ELBOW

6

855051217

O-RING

7

855051021

O-RING

8

392405005

HOSE

9

312610617

UNION

10

855051217

O-RING

11

855051021

O-RING

12

845190008

VALVE

13

500380910

UNION

14

855051217

O-RING

15

855051021

O-RING

16

392403002

HOSE

17

312610621

PROTECTION

17

312610629

PROTECTION

18

885180004

WRAPPER

19

802660508

COLLAR

20

801880208

SELF-LOCKING NUT

21

3F3084605

PROTECTION

22

312610646

UNION

23

855051217

O-RING

24

855051021

O-RING

Выбрано товаров: 26