Запчасти Komatsu WB150-2 ГИДРОЛИНИЯ (ЦИЛИНДР ПОВОРОТА СТРЕЛЫ ЛИНИЯ) ГИДРАВЛИКА РАБОЧЕЕ ОБОРУДОВАНИЕ

Схема запчастей Komatsu WB150-2 - ГИДРОЛИНИЯ (ЦИЛИНДР ПОВОРОТА СТРЕЛЫ ЛИНИЯ) ГИДРАВЛИКА РАБОЧЕЕ ОБОРУДОВАНИЕ
A
21
A
B
24
B
C
1
C
A
24
21
27
26
25
1
22
23
20
8
9
19
17
7
15
18
16
5
6
20
8
14
9
13
20
12
6
11
7
1
5
7
10
6
5
3
2
4
3
2
4
1
FIT
1:1
100%

Артикул

Название

Примечание

Количество

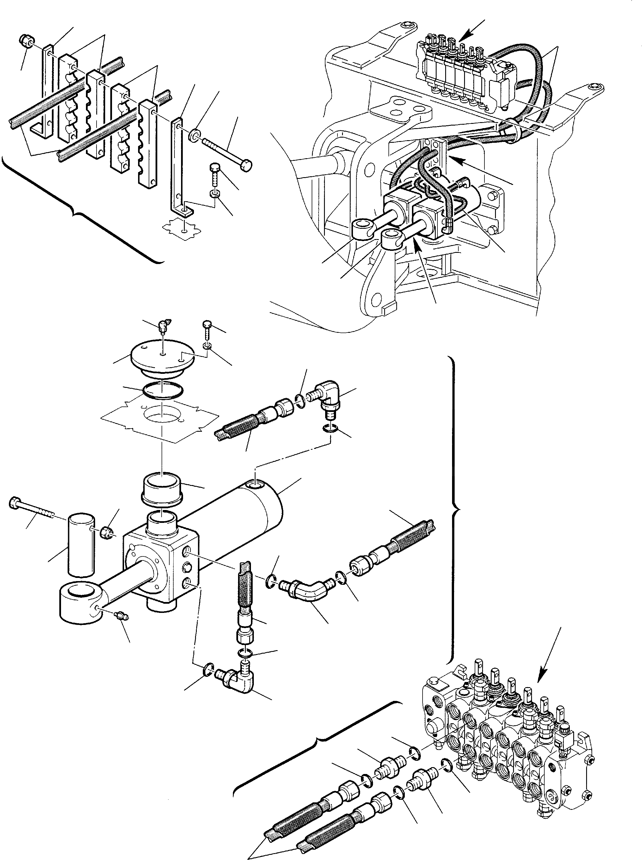
1

392860007

HOSE

2

500380123

UNION

3

855051119

O-RING

4

855051012

O-RING

5

500380503

ELBOW

6

855051111

O-RING

7

855051012

O-RING

8

395005009

BOOM SWING CYLINDER ASSY., R.H.

8

395005017

BOOM SWING CYLINDER ASSY., R.H.

9

395005010

BOOM SWING CYLINDER ASSY., L.H.

9

395005018

BOOM SWING CYLINDER ASSY., L.H.

10

860010007

FITTING

11

390597062

PIN

12

801015584

BOLT

13

801880212

WASHER

14

500213511

BUSHING

15

500014689

PLUG

16

855021836

O-RING

17

801015086

BOLT

18

802170001

WASHER

19

860030004

FITTING

20

392860003

HOSE

21

312707600

SUPPORT

22

801015110

BOLT

23

802170002

WASHER

24

312707608

SEMIBUCKLE

25

801014809

BOLT

26

802170001

WASHER

27

801880208

SELF-LOCKING NUT

Выбрано товаров: 29