Качественные детали и логистика
Оригинальные и аналоговые запчасти с доставкой по России, Казахстану и Беларуси
©2022 PartSell ООО "Система" ИНН 2463123282 ОГРН 1212400004838
Центральный офис: г. Красноярск, Академика Киренского, д.87, пом.4
Телефон: 8 (800) 777-65-74 Email: zakaz@partsell.ru
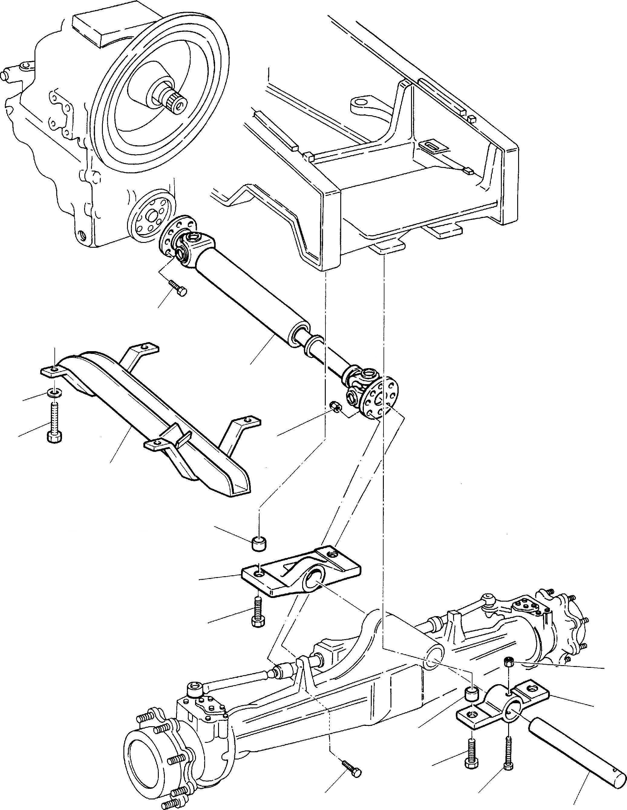
ПЕРЕДН. КАРДАНН. ВАЛ И ПЕРЕДНИЙ МОСТ КРЕПЛЕНИЕ (WD)
№
Артикул
Название
Примечание
Количество
1
312606601
REAR SUPPORT
2
CA0116529
BUSHING
3
312606600
FRONT SUPPORT
4
801015653
BOLT
5
801015584
6
801880212
SELF-LOCKING NUT
7
312606602
PIN
8
801015109
9
801880001
10
312606055
SHAFT
11
801015556
12
312606067
PROTECTION
13
801015136
14
802170003
WASHER
Выбрано товаров: 0