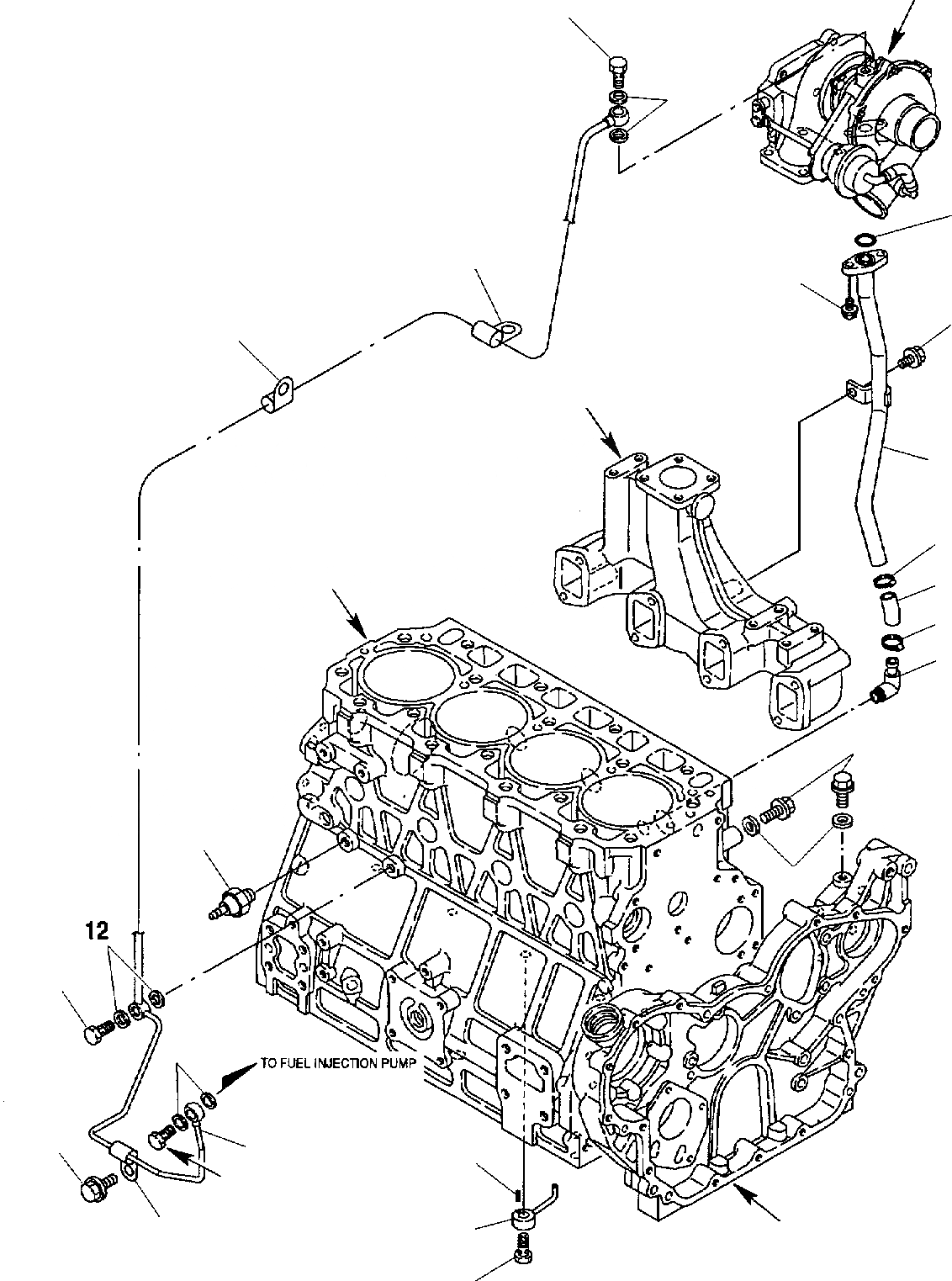
Запчасти Komatsu WB150-2 LUBRICATIN МАСЛ. ЛИНИЯ ДВИГАТЕЛЬ

Схема запчастей Komatsu WB150-2 - LUBRICATIN МАСЛ. ЛИНИЯ ДВИГАТЕЛЬ
A
B
C
D
E
8
12
20
10
21
22
9
17
19
18
19
16
15
1
14
7
12
13
2
30
11
29
23
FIT
1:1
100%

Артикул

Название

Примечание

Количество

\0

871070041

TURBO ENGINE

1

YM124160-39450

SWITCH

2

YM123910-39060

PIPE

7

YM124160-39140

BOLT

8

YM121252-39150

BOLT

9

YM124223-39900

RETAINER

10

YM124223-39900

RETAINER

11

YM23297-060081

RETAINER

12

YM23414-100000

GASKET

13

YM26106-100122

BOLT

14

YM22190-080002

SEAL

15

YM26106-080122

BOLT

16

YM124070-13300

ELBOW

17

YM123910-39600

PIPE

18

YM129506-39610

JOINT

19

YM23000-025000

CLAMP

20

YM24314-000180

O-RING

21

YM26106-060162

BOLT

22

YM26106-080142

BOLT

23

YM129792-39410

VALVE

29

YM123900-39650

PIPE

30

YM22351-030010

SPRING

Выбрано товаров: 22