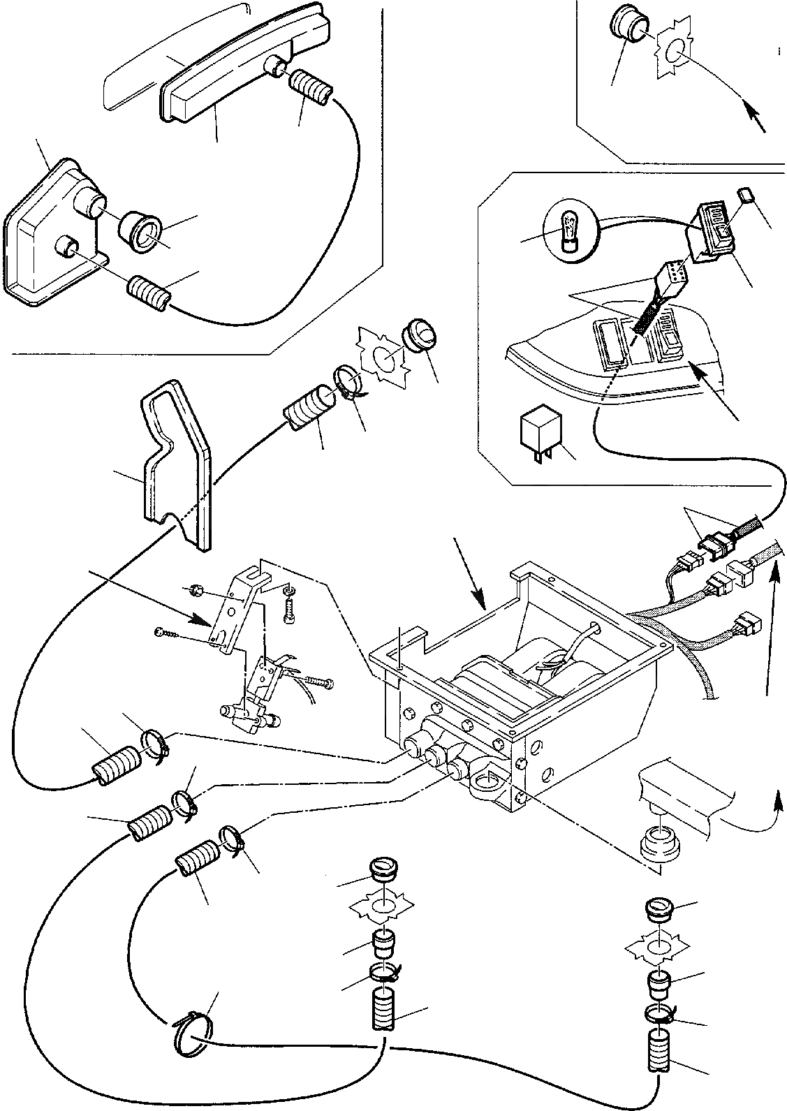
Запчасти Komatsu WB150-2 КАБИНА СИСТЕМА ОБДУВА ВОЗДУХА (/) ЧАСТИ КОРПУСА И КАБИНА

Схема запчастей Komatsu WB150-2 - КАБИНА СИСТЕМА ОБДУВА ВОЗДУХА (/) ЧАСТИ КОРПУСА И КАБИНА
12
A
B
B
C
19
1
3
4
2
7
6
3
9
5
19
11
13
8
9
11
12
15
10
15
18
18
14
17
17
16
15
10
15
14
FIT
1:1
100%

Артикул

Название

Примечание

Количество

\0

888011041

AIR BLENDING SYSTEM, ASSY

\0

888011042

CABIN AIR BLENDING SYSTEM, KIT

1

888011066

AIR CLOSED

2

888011065

STUB

3

312649602

HOSE

4

888011064

AIR FILTER BOX

5

888011067

SWITCH

7

888011068

GLASS

8

888011069

MINY RELAY

9

312649084

SWITCH WIRING

10

888011056

HOSE

12

888011055

HOSE

13

312605780

WALL

14

888011057

HOSE

16

885180005

CLAMP

17

888011033

REDUCTION

18

888011031

STUB

19

888011038

STUB

Выбрано товаров: 0