Запчасти Komatsu WB150-2 ГИДРОЛИНИЯ (ЦИЛИНДР ОПРОКИД-Я КОВША) (/) ГИДРАВЛИКА РАБОЧЕЕ ОБОРУДОВАНИЕ

Схема запчастей Komatsu WB150-2 - ГИДРОЛИНИЯ (ЦИЛИНДР ОПРОКИД-Я КОВША) (/) ГИДРАВЛИКА РАБОЧЕЕ ОБОРУДОВАНИЕ
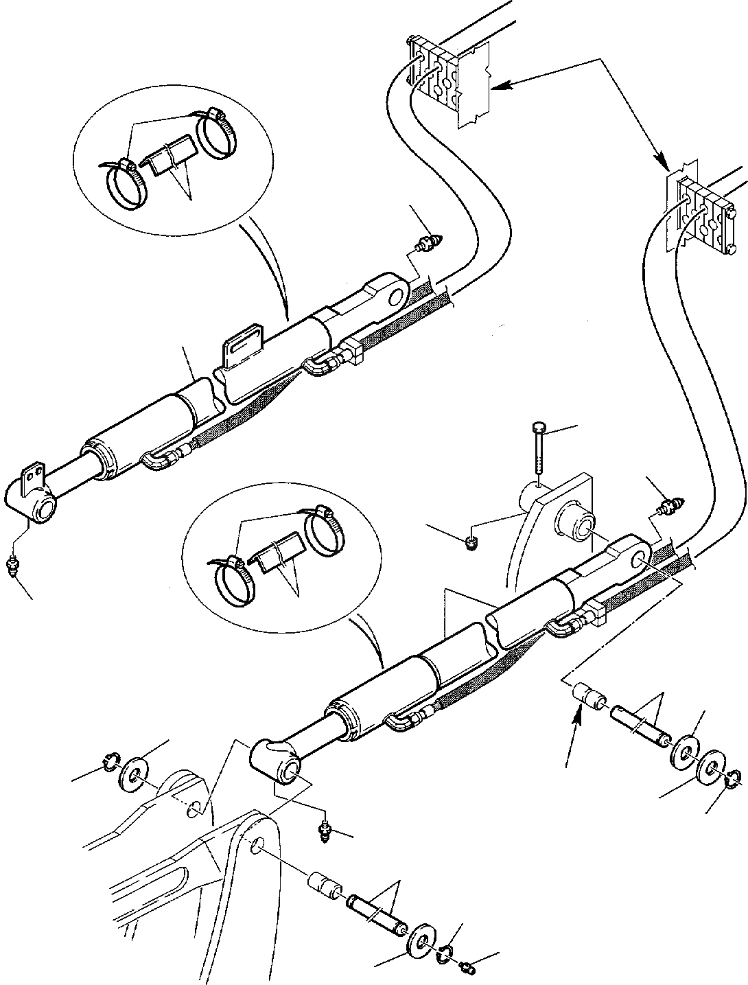
12
8
A
B
14
1
13
3
1
14
4
11
1
13
2
5
10
8
6
7
9
8
1
10
FIT
1:1
100%

Артикул

Название

Примечание

Количество

1

860010007

FITTING

4

801880212

SELF-LOCKING NUT

6

390608006

WASHER

7

802270019

SNAP RING

8

802270017

SNAP RING

10

390608002

WASHER

11

395013017

LEFT HYDRAULIC JACK, ASSY

12

395013019

RIGHT HYDRAULIC JACK, ASSY

13

360710611

PROTECTION

14

802660108

CLAMP

Выбрано товаров: 0