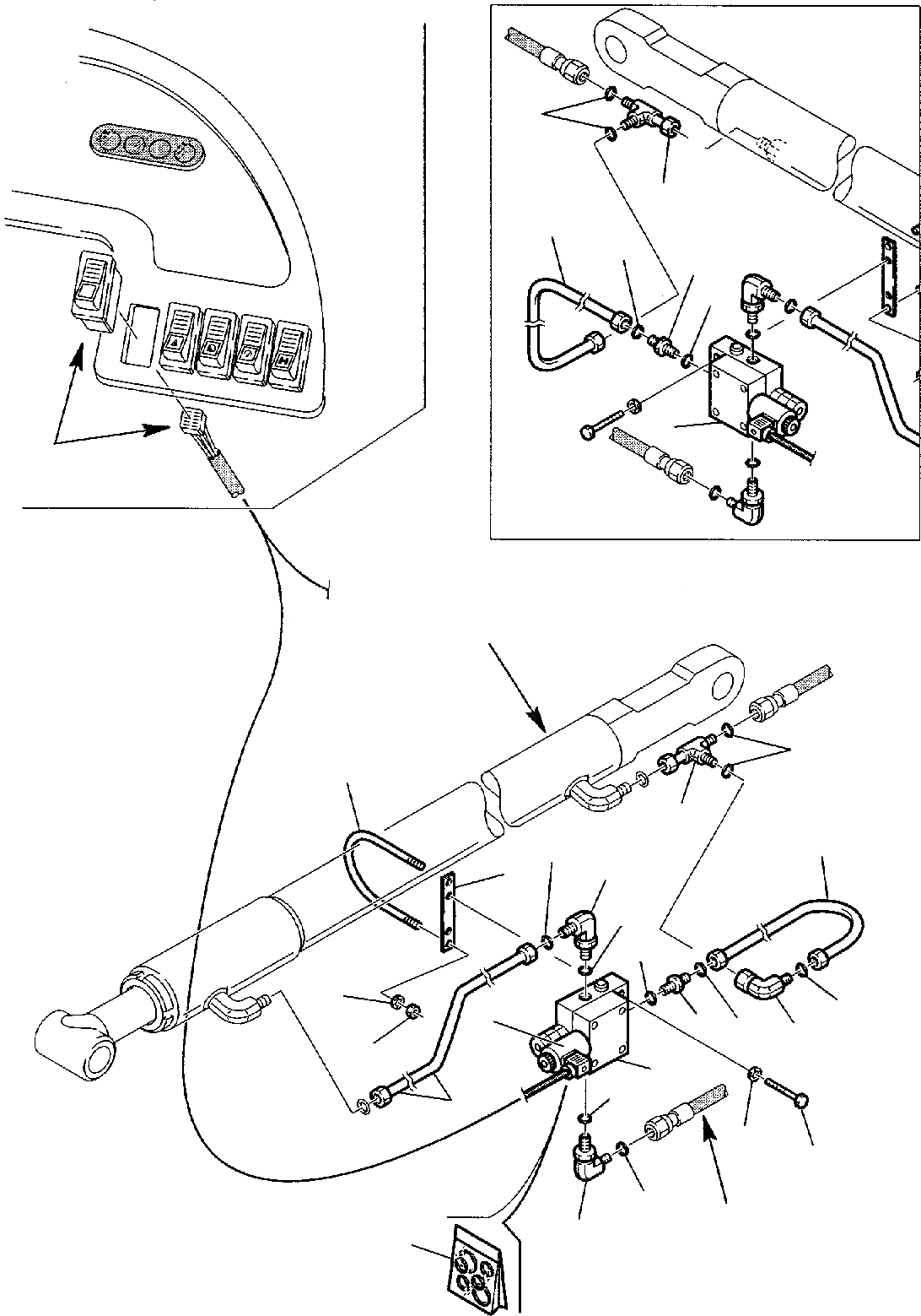
Запчасти Komatsu WB150-2 ГИДРОЛИНИЯ (ЦИЛИНДР ОПРОКИД-Я КОВША) (ЭЛЕКТРИЧ. КЛАПАН БЕЗОПАСНОСТИ) ГИДРАВЛИКА РАБОЧЕЕ ОБОРУДОВАНИЕ

Схема запчастей Komatsu WB150-2 - ГИДРОЛИНИЯ (ЦИЛИНДР ОПРОКИД-Я КОВША) (ЭЛЕКТРИЧ. КЛАПАН БЕЗОПАСНОСТИ) ГИДРАВЛИКА РАБОЧЕЕ ОБОРУДОВАНИЕ
A
B
C
19
8
18
17
15
13
14
1
19
7
18
16
11
9
6
10
14
5
21
3
13
15
20
8
1
10
12
5
4
11
9
2
FIT
1:1
100%

Артикул

Название

Примечание

Количество

1

845250013

VALVE

2

845250505

GASKET, KIT

3

845750001

SOLENOID

4

801015547

BOLT

5

802170001

SPRING WASHER

6

312237601

PLATE

7

312237600

FASTENER

9

500380508

UNION

10

855051617

O-RING

11

855051014

O-RING

12

312637075

PIPE

13

500380106

UNION

14

855051111

O-RING

15

855051014

O-RING

16

312637077

PIPE

17

312637076

PIPE

18

500380872

'T'' UNION

19

855051014

O-RING

20

500380462

ELBOW

21

855051014

O-RING

Выбрано товаров: 0