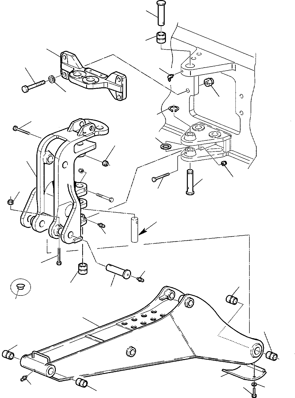
Запчасти Komatsu WB150-2 КРЕПЛЕНИЕ СТРЕЛЫ (/) РАБОЧЕЕ ОБОРУДОВАНИЕ

Схема запчастей Komatsu WB150-2 - КРЕПЛЕНИЕ СТРЕЛЫ (/) РАБОЧЕЕ ОБОРУДОВАНИЕ
24
25
12
20
14
15
23
16
17
22
13
21
8
18
12
19
4
11
4
2
9
10
26
1
2
3
5
6
4
7
3
A
FIT
1:1
100%

Артикул

Название

Примечание

Количество

1

312708052

BOOM

4

860010007

FITTING

5

312708053

PROTECTION

7

802170002

WASHER

8

312704612

BRACKET, ASSY

12

801880212

SELF-LOCKING NUT

13

801015586

BOLT

14

312703624

SUPPORT

15

801015291

BOLT

16

802060024

WASHER

19

801015586

BOLT

20

801880212

SELF-LOCKING NUT

22

802270024

SNAP RING

23

860030004

FITTING

25

312704603

BUSHING

26

500610633

PLUG

Выбрано товаров: 0