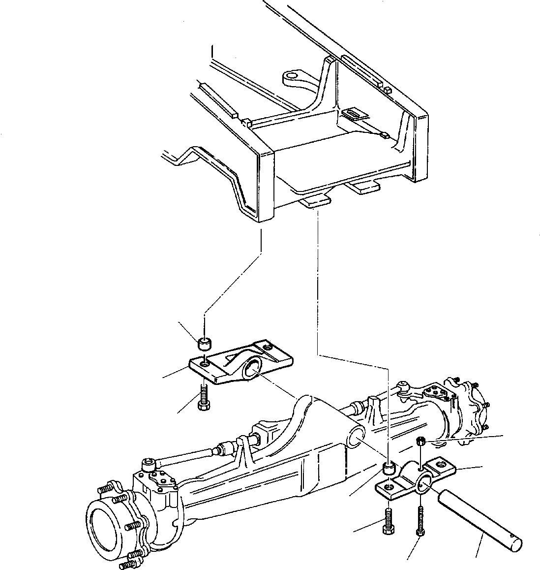
Запчасти Komatsu WB150-2 ПЕРЕДНИЙ МОСТ КРЕПЛЕНИЕ (WD) РАМА

Схема запчастей Komatsu WB150-2 - ПЕРЕДНИЙ МОСТ КРЕПЛЕНИЕ (WD) РАМА
2
1
4
6
3
2
4
7
5
FIT
1:1
100%

Артикул

Название

Примечание

Количество

1

312606601

REAR SUPPORT

2

CA0116529

BUSHING

3

312606600

FRONT SUPPORT

6

801880212

SELF-LOCKING NUT

Выбрано товаров: 0