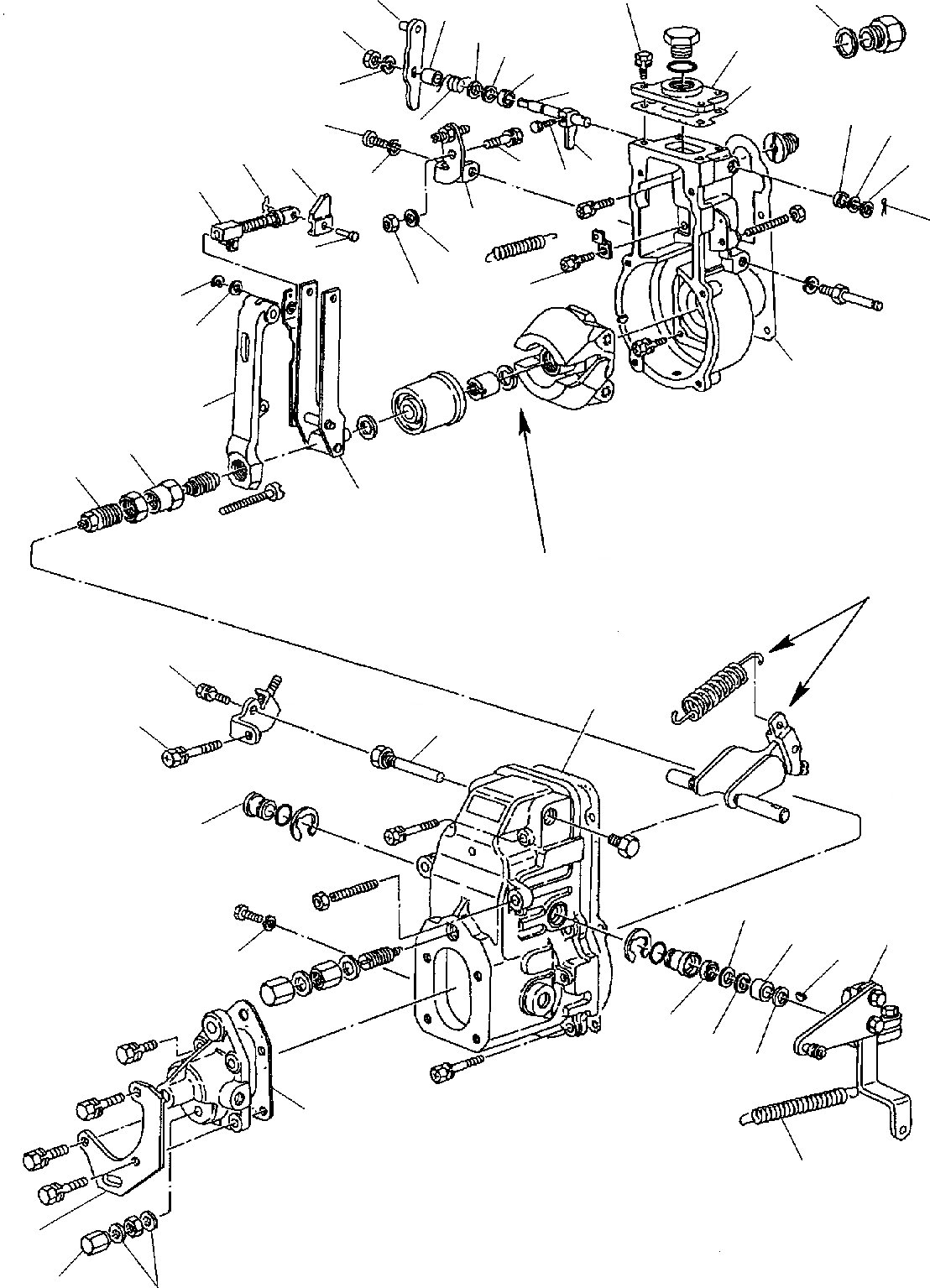
Запчасти Komatsu WB150-2 РЕГУЛЯТОР (/) ДВИГАТЕЛЬ

Схема запчастей Komatsu WB150-2 - РЕГУЛЯТОР (/) ДВИГАТЕЛЬ
91
A
72
A
85
89
93
77
70
78
94
69
74
92
94
78
103
90
98
77
71
100
75
61
76
104
99
88
97
102
73
101
62
96
79
63
87
86
60
67
80
64
95
56
54
58
65
57
66
53
55
59
81
68
84
83
82
FIT
1:1
100%

Артикул

Название

Примечание

Количество

\0

871070050

TURBO ENGINE

53

YMX1396110000

SEAL, OIL

54

YMX1394110000

SHIM

55

YMX0293111070

SHIM

56

YMX1542043100

BUSH

57

YMX0258031310

KEY

58

YMX1542062800

COLLAR

59

YMX1542060200

WASHER

60

YMX1542185220

LEVER

61

YMX1542344020

LINK

62

YMX0160100540

RING

63

YMX1542395120

LEVER

64

YMX1542371100

PIN

65

YMX1543963120

LEVER

66

YMX0141103440

SPRING

67

YMX0200061240

BOLT

68

YMX1543142600

SPRING

69

YMX1543902000

GASKET

70

YMX1540637900

COVER

71

YMX1542323000

CONNECTOR

72

YMX0200061640

BOLT

73

YMX0201061640

BOLT

74

YMX1550043301

SHAFT

75

YMX1550032520

LEVER

76

YMX1550060700

BOLT

77

YMX1393080900

WASHER

78

YMX1393081000

WASHER

79

YMX1543901300

GASKET

80

YMX1543900300

GASKET

81

YMX1543905000

GASKET

82

YMX0265081140

GASKET

83

YMX1540352000

CAP NUT

84

YMX1543763000

BRACKET

85

YMX0265182240

GASKET

86

YMX1541884320

SPRING

87

YMX0292016010

NUT

88

YMX0255201210

SPRING

89

YMX1542065200

COLLAR

90

YMX1543280500

SPRING

91

YMX1543832420

LEVER

92

YMX0141108440

SPRING

93

YMX0130208040

NUT

94

YMX0296208050

OIL SEAL

95

YMX0201065040

BOLT

96

YMX0293105170

SHIM

97

YMX1542225800

PIN

98

YMX1554023800

SNAP PIN

99

YMX1543591320

BRACKET

100

YMX0201181640

BOLT

101

YMX1540111100

NUT

102

YMX0293008320

SHIM

103

YMX1540106100

SCREW

104

YMX0141108440

SPRING

Выбрано товаров: 53