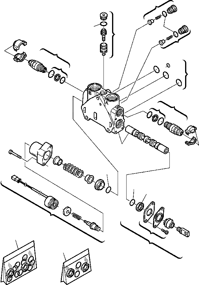
Запчасти Komatsu WB150-2N FIG. H-A УПРАВЛ-Е ПОГРУЗ. КОВШОМ КЛАПАН - ПОГРУЗ. РАЗГРУЗКА SECTION ГИДРАВЛИКА

Схема запчастей Komatsu WB150-2N - FIG. H-A УПРАВЛ-Е ПОГРУЗ. КОВШОМ КЛАПАН - ПОГРУЗ. РАЗГРУЗКА SECTION ГИДРАВЛИКА
3
17
16
2
3
6
4
7
5
15
4
5
1
6
7
14
14
13
9
10
9
11
8
12
FIT
1:1
100%

Артикул

Название

Примечание

Количество

1

NSS

HOUSING KIT

2

844200503

COMPENSATOR KIT

3

844200416

VALVE KIT

4

844200422

SECONDARY VALVE

5

844200174

GASKET KIT

6

844200423

LOCKING COVER KIT (ORANGE)

7

844200424

LOCKING COVER KIT (BLUE)

8

844200615

OPERATION KIT

9

844200427

BELLOWS KIT

10

844200467

COVER KIT

11

844200504

GASKET KIT

12

844200509

GASKET KIT

13

NSS

OIL SEAL

14

NSS

O-RING

15

844200413

GASKET KIT

16

NSS

O-RING

17

NSS

O-RING

Выбрано товаров: 17