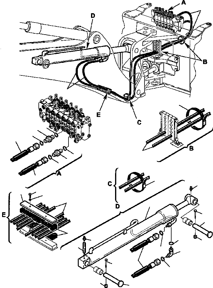
Запчасти Komatsu WB150-2N FIG. H7-A ГИДРОЛИНИЯ - ЦИЛИНДР СТРЕЛЫ ГИДРАВЛИКА

Схема запчастей Komatsu WB150-2N - FIG. H7-A ГИДРОЛИНИЯ - ЦИЛИНДР СТРЕЛЫ ГИДРАВЛИКА
4
4
5
2
1
3
4
4
2
1
3
4
5
14
20
18
21
4
22
7
6
19
10
14
8
13
12
9
4
16
11
17
15
FIT
1:1
100%

Артикул

Название

Примечание

Количество

1

500380113

UNION

2

855051119

O-RING

3

855051018

O-RING

4

392860004

HOSE

5

334402053

TIE STRAP

6

312704611

PIN, CYLINDER

7

801015584

BOLT

8

801880212

NUT, SELF-LOCKING

9

500380512

UNION, ELBOW

10

855051617

O-RING

11

855051018

O-RING

12

855051018

O-RING

13

390053005

EXTENSION, GREASE FITTING

14

860010007

FITTING, GREASE

15

390597070

PIN, CYLINDER

16

801015582

BOLT

17

801880212

NUT, SELF-LOCKING

18

312708642

PLATE, HOSE CLAMP

19

312708641

CLAMP, HOSE

20

801015563

BOLT

21

802170002

WASHER

Выбрано товаров: 21