Качественные детали и логистика
Оригинальные и аналоговые запчасти с доставкой по России, Казахстану и Беларуси
©2022 PartSell ООО "Система" ИНН 2463123282 ОГРН 1212400004838
Центральный офис: г. Красноярск, Академика Киренского, д.87, пом.4
Телефон: 8 (800) 777-65-74 Email: zakaz@partsell.ru
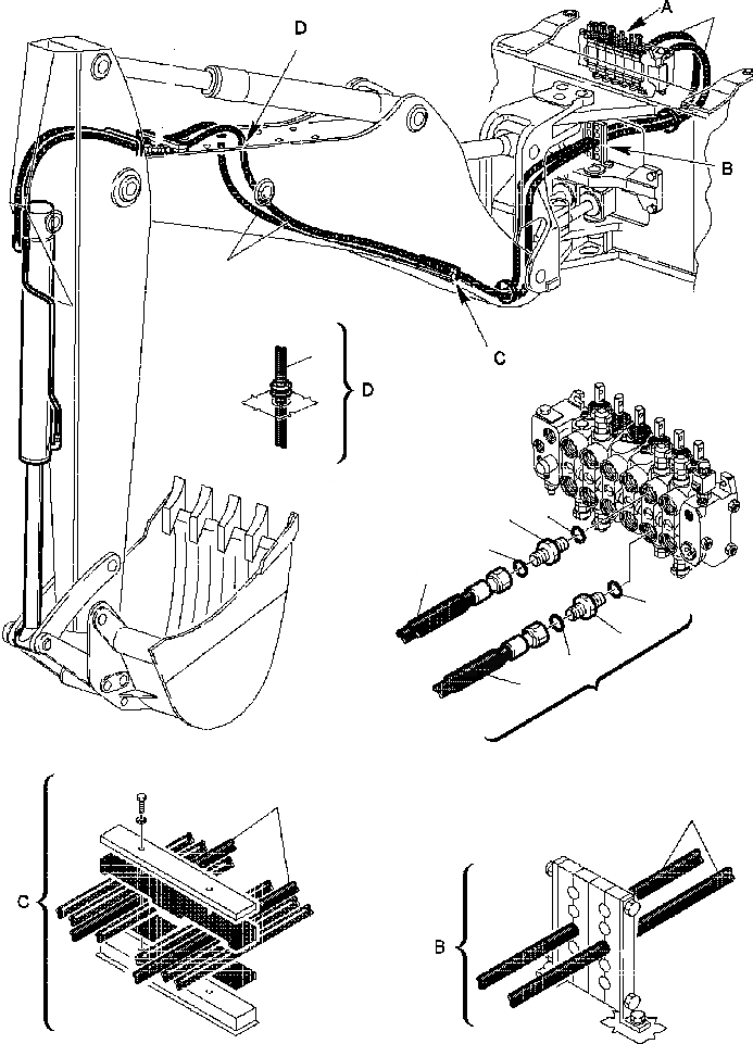
FIG. H7-A ГИДРОЛИНИЯ - УПРАВЛЯЮЩ. КЛАПАН - ЦИЛИНДР КОВША
№
Артикул
Название
Примечание
Количество
1
500380113
UNION
2
855051119
O-RING
3
855051018
4
392860006
HOSE
5
312708621
BUSHING, HOSE
Выбрано товаров: 0