Качественные детали и логистика
Оригинальные и аналоговые запчасти с доставкой по России, Казахстану и Беларуси
©2022 PartSell ООО "Система" ИНН 2463123282 ОГРН 1212400004838
Центральный офис: г. Красноярск, Академика Киренского, д.87, пом.4
Телефон: 8 (800) 777-65-74 Email: zakaz@partsell.ru
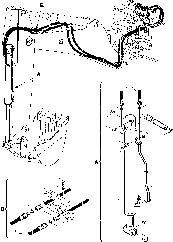
FIG. H7-A ГИДРОЛИНИЯ - ЦИЛИНДР КОВША
№
Артикул
Название
Примечание
Количество
2
860010007
FITTING, GREASE
3
855051018
O-RING
4
312709605
PIN, CYLINDER
5
602270017
RING, SNAP
6
392861004
HOSE
7
8
312707097
PIPE
9
801015089
BOLT
10
802170001
WASHER
11
312707615
SPACER
12
801015110
13
802170002
Выбрано товаров: 12