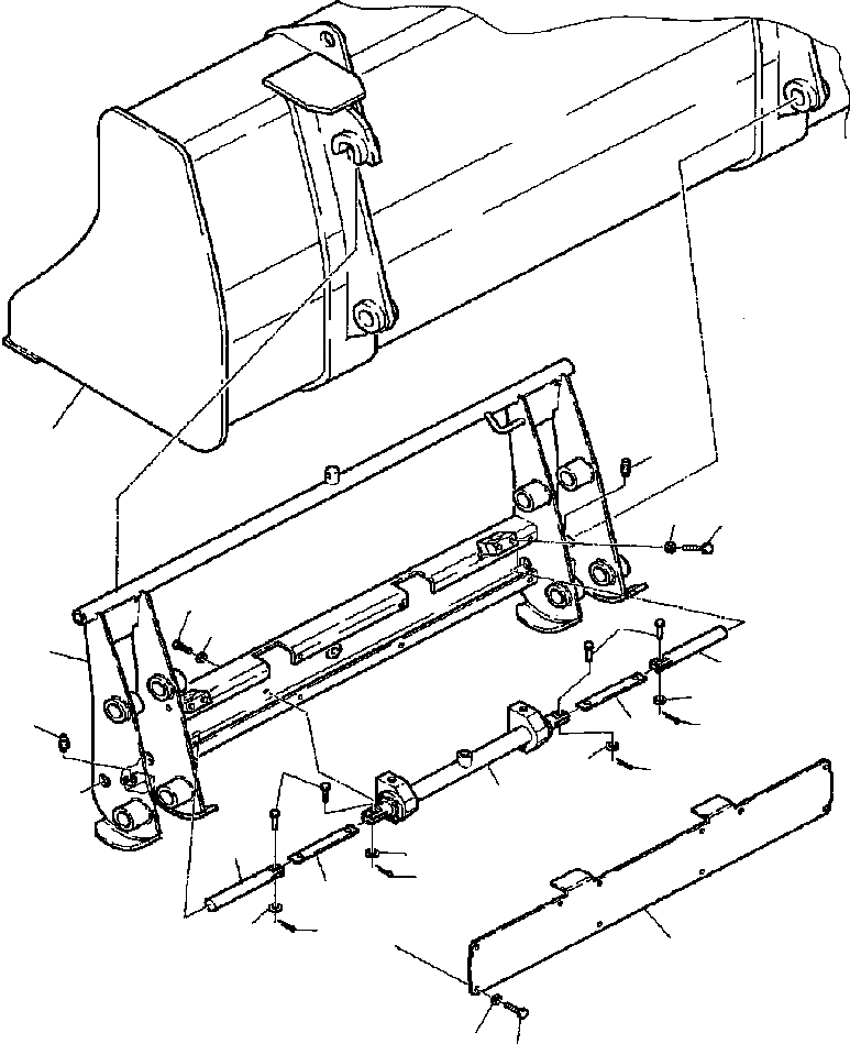
Запчасти Komatsu WB150-2N FIG. H7-A КОВШ - ГИДРАВЛ. БЫСТРОСЪЕМН. МЕХ-М ГИДРАВЛИКА

Схема запчастей Komatsu WB150-2N - FIG. H7-A КОВШ - ГИДРАВЛ. БЫСТРОСЪЕМН. МЕХ-М ГИДРАВЛИКА
1
3
13
12
10
5
11
2
4
8
3
7
8
6
16
5
9
4
6
7
8
6
7
14
7
15
FIT
1:1
100%

Артикул

Название

Примечание

Количество

1

312630060

BUCKET

2

312630059

FRAME

3

860010007

FITTING, GREASE

4

312630648

PIN, ROD

5

500327217

PIN, LEVER

6

802040029

WASHER

7

802610073

PIN, COTTER

8

500014695

LEVER, LINK

10

801015109

BOLT

11

802120008

WASHER

12

801015090

BOLT

13

802150508

WASHER

14

312630647

CYLINDER GUARD

15

801015086

BOLT

16

802120008

WASHER, SPRING

Выбрано товаров: 15