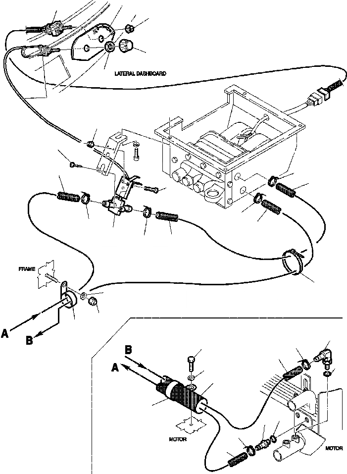
Запчасти Komatsu WB150-2N FIG. K8-A ОБОГРЕВ. ТРУБЫ КАБИНА ОПЕРАТОРА И СИСТЕМА УПРАВЛЕНИЯ

Схема запчастей Komatsu WB150-2N - FIG. K8-A ОБОГРЕВ. ТРУБЫ КАБИНА ОПЕРАТОРА И СИСТЕМА УПРАВЛЕНИЯ
2
3
23
1
4
7
8
12
10
9
10
10
11
5
9
10
22
15
14
13
19
11
20
15
16
13
18
17
10
12
4
6
21
10
FIT
1:1
100%

Артикул

Название

Примечание

Количество

1

816214528

KNOB, HEATER CONTROL

2

312632602

PLATE, HEATER CONTROL

3

885081140

SWITCH, HEATER

4

312608068

CABLE, HEATER CONTROL

5

816214526

COCK, WATER CONTROL

6

801370039

SCREW

7

801250029

SCREW

8

801852204

NUT, SELF-LOCKING

9

852991033

HOSE (L=800)

10

852660003

CLAMP

11

852991033

HOSE (L=2500)

12

852991033

HOSE (L=4000)

13

802660027

CLAMP

14

801852208

NUT, SELF-LOCKING

15

802170001

WASHER

16

801015086

BOLT

17

390029034

UNION

18

885051113

O-RING

19

390032022

UNION, ELBOW

20

885051113

O-RING

21

312610619

PROTECTION, HOSE

22

885180004

TIE STRAP

23

885081164

KNOB

Выбрано товаров: 23