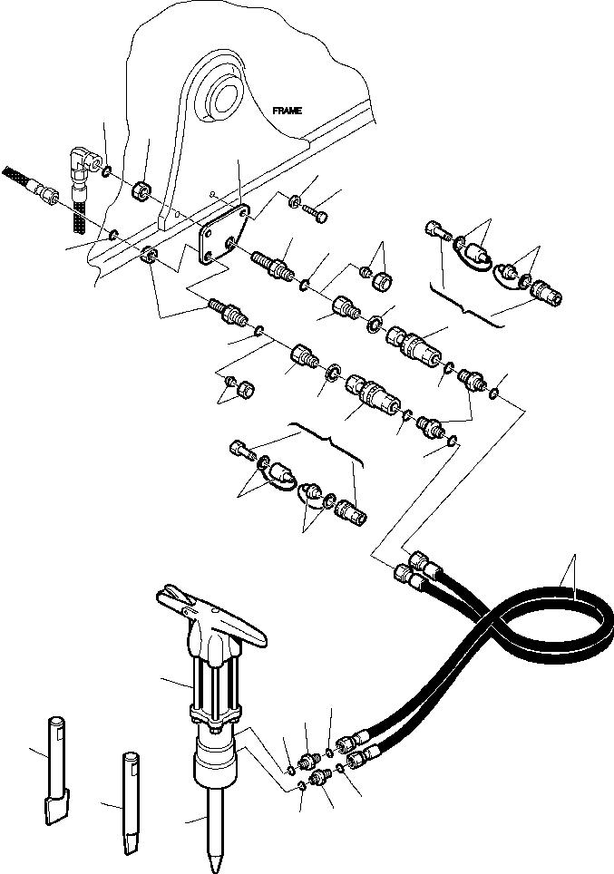
Запчасти Komatsu WB150-2N FIG. T78-A HAND-МОЛОТ - MODEL BR- РАБОЧЕЕ ОБОРУДОВАНИЕ

Схема запчастей Komatsu WB150-2N - FIG. T78-A HAND-МОЛОТ - MODEL BR- РАБОЧЕЕ ОБОРУДОВАНИЕ
5
4
7
9
8
13
4
6
14
5
11
12
10
1
3
17
10
16
11
6
15
12
16
17
13
18
14
19
23
21
20
22
26
21
20
22
24
2
25
FIT
1:1
100%

Артикул

Название

Примечание

Количество

1

312635607

UNION

2

855051012

O-RING

3

855051018

O-RING

4

500380324

UNION

5

855051018

O-RING

6

500380314

PLUG

7

312635601

SUPPORT PLATE

8

801015109

BOLT

9

802170002

WASHER

10

312635603

UNION

11

885150037

GASKET

12

200362272

FAST COUPLING LINE, ASSEMBLY

13

200371845

MALE PLUG

14

200371846

FEMALE PLUG

15

500380111

UNION

16

855051119

O-RING

17

855051016

O-RING

18

392860032

HOSE (L=20000 MM)

19

392860033

HOSE (L=10000 MM)

20

500380077

UNION

21

855051016

O-RING

22

855051119

O-RING

23

827010137

HYDRAULIC HAND-HAMMER

24

827010138

TAPPERED POINT

25

827010139

CHISEL POINT

26

827010140

SPADE POINT

Выбрано товаров: 26