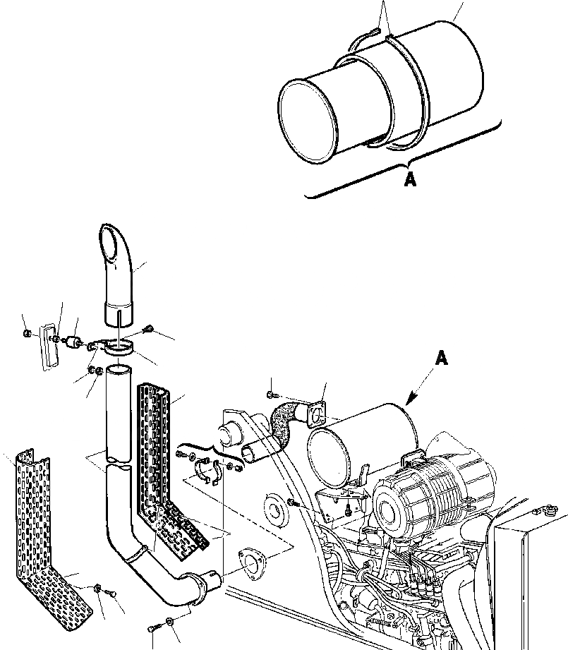
Запчасти Komatsu WB150-2N FIG. B-A ГЛУШИТЕЛЬ КОМПОНЕНТЫ ДВИГАТЕЛЯ

Схема запчастей Komatsu WB150-2N - FIG. B-A ГЛУШИТЕЛЬ КОМПОНЕНТЫ ДВИГАТЕЛЯ
13
12
15
11
11
10
17
16
2
1
18
14
11
3
7
4
9
8
5
6
FIT
1:1
100%

Артикул

Название

Примечание

Количество

1

312607053

HOSE

2

801015088

BOLT

3

802670075

CLAMP

4

312607055

PIPE, STUB EXHAUST

5

802170002

WASHER

7

312607075

PROTECTION, OUTWARD SIDE

8

802170002

WASHER

9

801015106

BOLT

10

808001043

DAMPER

12

312607676

COVER, MUFFLER

13

885190010

CLAMP

14

312607088

PROTECTION, INWARD SIDE

15

312607680

PIPE, EXHAUST STACK

16

312607106

CLAMP

17

801015087

BOLT

18

802170001

WASHER, FLAT

Выбрано товаров: 0