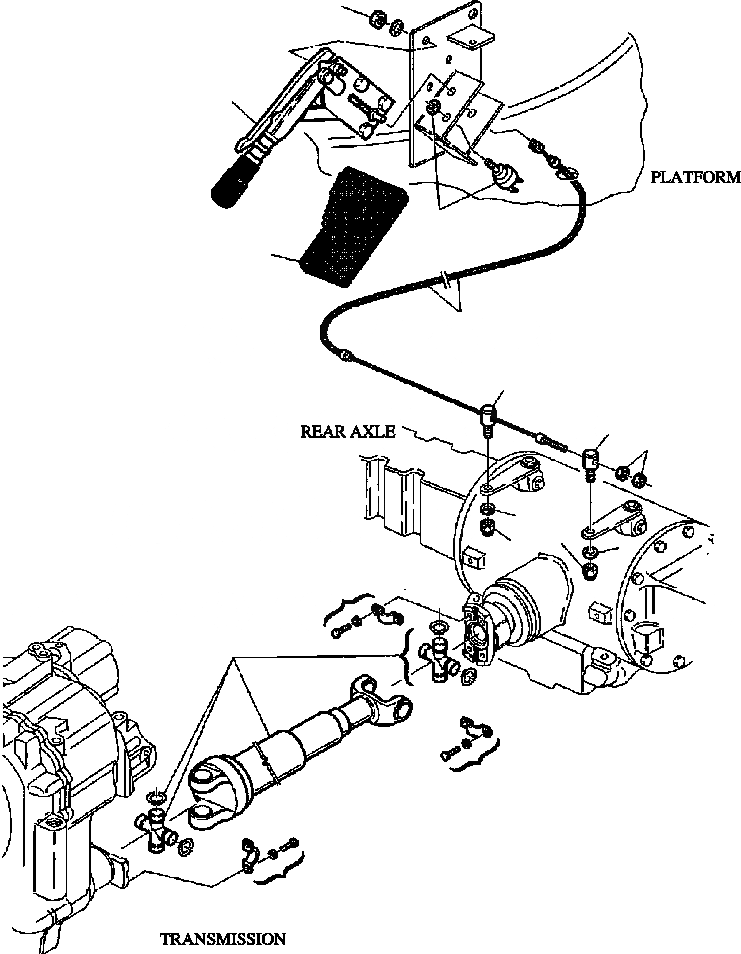
Запчасти Komatsu WB150-2N FIG. F-A HAND ТОРМОЗ. И ЗАДН. КАРДАНН. ВАЛ СИЛОВАЯ ПЕРЕДАЧА И КОНЕЧНАЯ ПЕРЕДАЧА

Схема запчастей Komatsu WB150-2N - FIG. F-A HAND ТОРМОЗ. И ЗАДН. КАРДАНН. ВАЛ СИЛОВАЯ ПЕРЕДАЧА И КОНЕЧНАЯ ПЕРЕДАЧА
3
1
4
2
5
6
6
7
8
9
9
8
11
10
11
11
FIT
1:1
100%

Артикул

Название

Примечание

Количество

1

880050039

LEVER, HAND BRAKE

2

312648628

BOOT

3

801920105

NUT

4

885080069

SWITCH

5

312608075

CABLE ASSY

6

312608632

FASTENER, CABLE

7

801920104

NUT

8

801880001

NUT, SELF-LOCKING

9

802170002

WASHER

10

312606070

SHAFT

11

878000514

MOUNTING KIT, SHAFT

Выбрано товаров: 11