Качественные детали и логистика
Оригинальные и аналоговые запчасти с доставкой по России, Казахстану и Беларуси
©2022 PartSell ООО "Система" ИНН 2463123282 ОГРН 1212400004838
Центральный офис: г. Красноярск, Академика Киренского, д.87, пом.4
Телефон: 8 (800) 777-65-74 Email: zakaz@partsell.ru
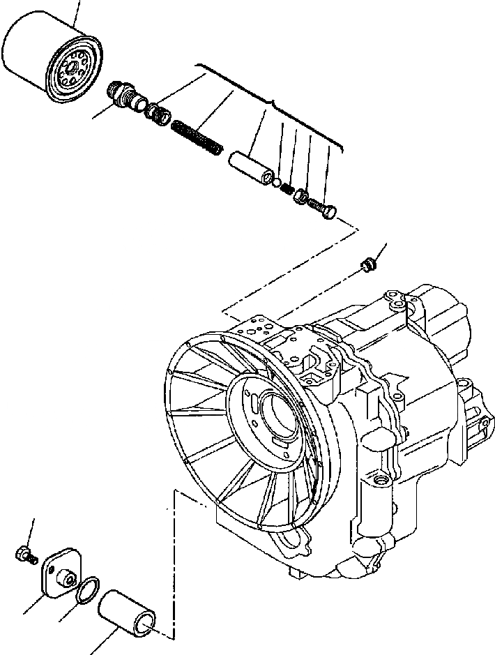
FIG. F9-A ТРАНСМИССИЯ (WD) - МАСЛ. ФИЛЬТР
№
Артикул
Название
Примечание
Количество
1
CA0139413
FILTER, OIL
2
CA0133070
VALVE KIT
3
CA0135859
FILTER, OIL STRAINER
4
CA0028131
O-RING
5
CA0131368
COVER
6
CA0020777
BOLT
7
CA0131217
UNION
8
CA0030720
PLUG
Выбрано товаров: 0